明孝陵的布局

高清图片下载 免费 安全无风险
明孝陵的布局

明孝陵的布局

点击图片查看原图

图片信息

  • 格式: JPG
  • 尺寸: 1066x1600
  • 大小: 约1.2MB

版权声明

相关标签

自然风光 高清壁纸 4K画质

分享图片

相关推荐

基于当前图片的相似推荐

南京景点光影斑驳的明孝陵75

明孝陵景区里的风景

接下来两个月的南京是这样的……p1-p8:明孝陵景区,石像路 - 抖音

明孝陵景区位于江苏省南京市玄武区钟山风景名胜区内梅花 - 抖音

【景点介绍】:明孝陵,位于南京紫金山南麓,是明朝开国皇帝朱元璋和马

世界文化遗产,明清皇家第一陵—南京明孝陵 96 景点:明孝陵 明孝陵

【携程攻略】南京明孝陵景点,秋天的明孝陵真的太美了!

记金陵名胜之明孝陵.明孝陵是明朝开国皇帝(明太祖)朱元璋的陵 - 抖音

明孝陵简介资料及图片,世界文化遗产明孝陵介绍

随机推荐

发现更多精彩图片

颖儿婚姻越来越好满脸幸福肥付辛博主动秀婚戒聚会还搂老婆

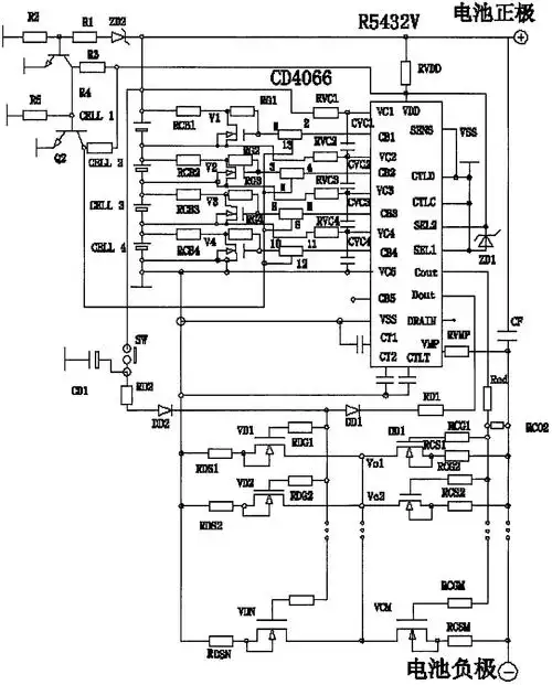
一种新型大电流可充电锂电池保护板电路

排单少出图快~#q版人物 #procreate #饭圈设计 #刘耀文 #饭圈

神像名称:六十甲子 六十太岁道教六十甲子神像价格 六十甲子星宿神像

特价!新款安卓联通4g学生手机超薄5.0英寸手机智能移动4g老人手机

【夏天的故事,从这里开始】---高新区小太阳幼儿园班级主题墙赏析

丙烯马克笔|《森林瀑布》·基础版

中的欧子强打响了陈慧珊演员事业的第一炮,此后《鉴证实录》中的

emoji 家族即将新添 72 个魔性新表情,先睹为快!