寻迹上海私人会馆 | 以峰层会所为蓝本,再现外滩生活场

高清图片下载 免费 安全无风险
寻迹上海私人会馆 | 以峰层会所为蓝本,再现外滩生活场

寻迹上海私人会馆 | 以峰层会所为蓝本,再现外滩生活场

点击图片查看原图

图片信息

  • 格式: JPG
  • 尺寸: 1080x722
  • 大小: 约1.2MB

版权声明

相关标签

自然风光 高清壁纸 4K画质

分享图片

相关推荐

基于当前图片的相似推荐

上海会馆(96广场店)图片 - 第2张

上海会馆(96广场店)图片 - 第250张

上海会馆(九六广场店)

上海会馆--徐州宴会网

上海会馆(96广场店)图片 - 第1张

上海会馆(96广场店)门口图片 - 第861张

上海会馆(96广场店)img_2346c图片 - 第1张

上海会馆(96广场店)图片 - 第1张

上海会馆(96广场店)图片 - 第19张

上海会馆(96广场店)图片 - 第2张

打卡必吃榜上海会馆,上海宁最爱红烧肉和菜饭

随机推荐

发现更多精彩图片

王俊凯壁纸:独一无二的神仙颜值,真的是能抗能打

张真源音乐剧##张真源音乐剧家场外应援

高级感宽腰带女装饰时尚弹力黑色女士腰封配时装配饰外搭大衣风衣

山西大同云冈石窟与敦煌莫高窟,洛阳龙 - 抖音

【新潮来袭】高版本/莆田纯原勇士队30号城市版复古电车sw球衣背心db

瓷砖填缝剂-护卫舰防水材料-上海护卫舰建材有限公司—护卫舰防水

组织构架图模板docx1页

国六排气管构造图解

郑和下西洋的影响(世界航海史上的壮举)-临渡百科

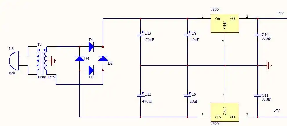
我想用7805,7905,组成正负5v输出,帮我看看这个图对不对,高手指点一下