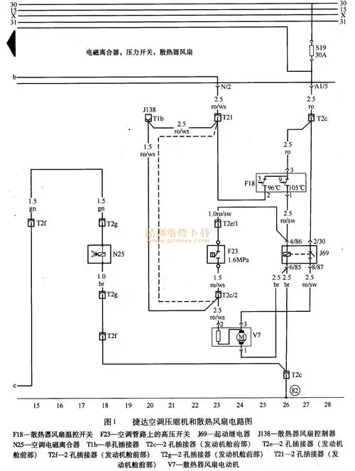
13年捷达前卫空调电路图

高清图片下载 免费 安全无风险
13年捷达前卫空调电路图

13年捷达前卫空调电路图

点击图片查看原图

图片信息

  • 格式: JPG
  • 尺寸: 609x604
  • 大小: 约1.2MB

版权声明

相关标签

自然风光 高清壁纸 4K画质

分享图片

相关推荐

基于当前图片的相似推荐

大众捷达轿车空调不制冷电子扇不转动

常见车型空调线路图 捷达前卫空调线路图(1/2)

一汽大众捷达常用电路图

76 捷达轿车空调控制单元(续完)

大众捷达开启空调系统后发动机熄火

图2是捷达前卫未改前的空调电路图,改装的目的是在继电器盒n4柱引出线

全车电路图 捷达使用说明书 汽车维修电路图 桑塔纳3000电路图 空调

解读2010款捷达空调电路技术

大众捷达pa空调无法开启故障检修

捷达王gtx空调机不工作

>>1995捷达 空调电路图(2.0l)

随机推荐

发现更多精彩图片

王源超话#王源绿海#@tfboys-王源 09期待狂欢继续95

p站精美插画pc端壁纸·⑦·风景

五边形有没有对称轴?轴对称基础认知及拓展练习!

足家堂跖疣特效疣必治 去除治趾疣瘊子跖疣净灵脱疣膏中药包邮

面部皮脂腺囊肿的手术治疗

小知识:世界上最大的虾是什么虾有多大,波士顿龙虾(附超大龙虾图片) !

5个方法养护肾脏,希望你能了解,保护健康

写真集:宝马摩托 2024 r 12 ninet 复古车_搜狐汽车_搜狐网