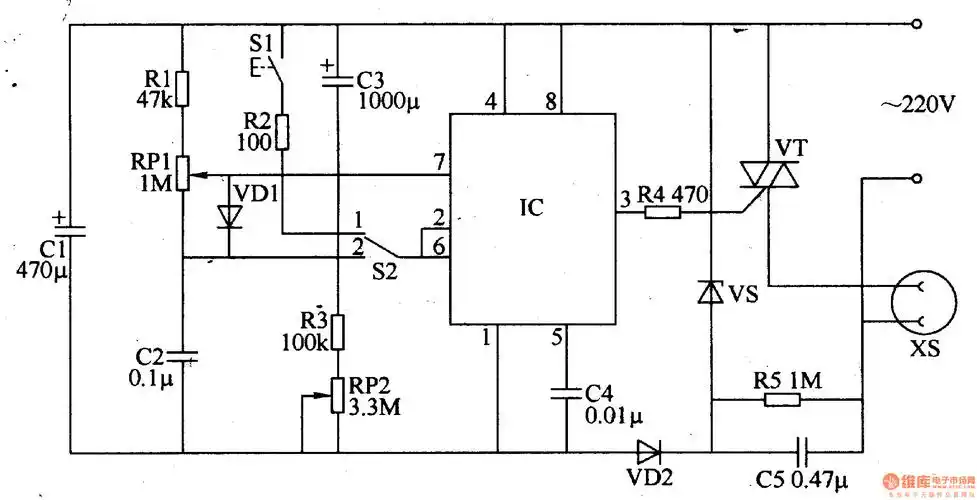
电动机电子调速控制器电路图六

高清图片下载 免费 安全无风险
电动机电子调速控制器电路图六

电动机电子调速控制器电路图六

点击图片查看原图

图片信息

  • 格式: JPG
  • 尺寸: 600x292
  • 大小: 约1.2MB

版权声明

相关标签

自然风光 高清壁纸 4K画质

分享图片

相关推荐

基于当前图片的相似推荐

一种静电喷雾器控制电路的制作方法

12v调速器电路图分析报告-直流调速器-直流电机调速

三,室内风机调速电路

电动喷雾器调速器 12调节开关调位器农用打药机配件调速开关 调速开关

汽车发动机电控技术实验指导书 大众桑塔纳2000轿车喷油器的连接电路

多功能调光,调速器 二

由于药液流在了导线接头上,导致短路烧坏了电水泵,喷雾器停止工作

自动喷灌控制器 一-其他农业自动化电路图-电子产品世界

直流电机调速电路原理

随机推荐

发现更多精彩图片

清扬洗发水洗头膏去清爽控油止痒男士专用女官洗发水

迎国庆我与国旗合个影我为祖国送祝福征集活动开始啦

你的眼神(闫汝明词,刘德波曲)

花王(kao)婴童口腔护理 kao 花王 护齿木糖醇儿童牙膏 哈密瓜味 70g

川教版四下unit4enjoyingabirthdaylesson2thisisapresentforyouppt

和家人一起品尝传统美食里的"中国味道"

洪荒中被圣人算计的妖族,不成圣皆为蝼蚁,东皇太一之死!

卡通卡通棕色布娃娃

(地形图,地质图)地图分幅编号ppt