桌上冰壶迷你团建便携版室内休闲桌面游戏亲子互动家庭旱地小冰球

高清图片下载 免费 安全无风险
桌上冰壶迷你团建便携版室内休闲桌面游戏亲子互动家庭旱地小冰球

桌上冰壶迷你团建便携版室内休闲桌面游戏亲子互动家庭旱地小冰球

点击图片查看原图

图片信息

  • 格式: JPG
  • 尺寸: 800x800
  • 大小: 约1.2MB

版权声明

相关标签

自然风光 高清壁纸 4K画质

分享图片

相关推荐

基于当前图片的相似推荐

幸福的家庭在客厅玩电子游戏

幸福的家庭在客厅玩电子游戏照片

幸福的家庭在客厅玩电子游戏

室内小游戏(9款室内亲子小游戏)

明鼎幼儿园之室内趣味亲子游戏

幸福的家庭在客厅玩电子游戏

幸福的家庭在客厅玩电子游戏照片

室内4-5岁亲子游戏大全 全是搞笑又活跃的亲子游戏推荐

家庭亲子积木游戏图片

【居家健身】超多有趣的室内亲子运动游戏!和孩子一起燃烧卡路里吧

室内45岁亲子游戏大全全是搞笑又活跃的亲子游戏推荐

郑州市实验幼儿园精选亲子游戏助力宅娃成长

随机推荐

发现更多精彩图片

小兔子简笔画100个可爱简笔画

央视主持人王冠:与曹可凡传绯闻,被母亲催婚,38岁未婚也幸福

歌手汪苏泷2017"莱芙tour"全国巡回演唱会在深圳火热开唱,好友苏运莹

ink墨汁车贴麦当劳 樱木 皮卡丘 葫芦娃等歪脖子卡通头像反光车贴

光绪的尸骨被拖出来随意的丢弃,就连脚上的鞋子都被盗墓贼扒走了.

身上既能艾灸又能揉按的"养生窝",现在知道还不晚!

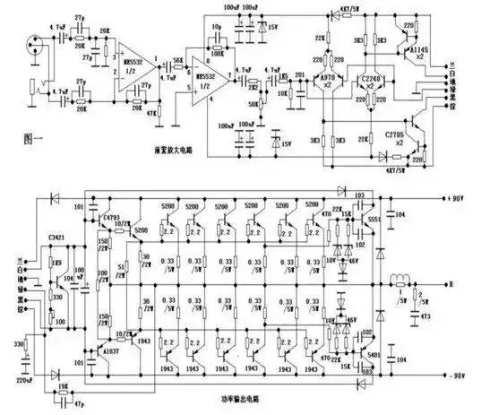
超大功率功放机电路图

5分钟搞定今年的招聘pop海报