男生咖啡色染发效果图

高清图片下载 免费 安全无风险
男生咖啡色染发效果图

男生咖啡色染发效果图

点击图片查看原图

图片信息

  • 格式: JPG
  • 尺寸: 375x450
  • 大小: 约1.2MB

版权声明

相关标签

自然风光 高清壁纸 4K画质

分享图片

相关推荐

基于当前图片的相似推荐

不想长出来的黑头发那么明显,那你一定要染这款深茶棕色,一定不会让

会显得五官更加立体 掉色后像银灰想要这个效果的话必须在灰里调一点

男生帅气发色炒鸡显白奶茶棕灰色

咖啡色_发型_old brand老牌发型屋自由行热门攻略_发色_男生发型_时尚

型男必备经典咖啡色,秋冬回归暖男气质!

男生咖啡色染发效果图

咖啡色头发油头是男生必备的经典男士发型,咖啡色色彩的纯度,很好的

出一个渐变的效果,令头发的层次更分明,尝试看看这2年流行的灰 咖啡色

男生咖啡色头发效果图

更有光泽,更耀眼的色彩#琥珀棕色:带有红/橘/黄色光的咖啡色系2020

随机推荐

发现更多精彩图片

真人长发1_价格400元_第3张_中国收藏热线

今日最新早安祝福语大全,健康吉祥早上好!_生活_阳光_生命

你长得果然搞笑图片_你长得果然搞笑动态图_你长得果然搞笑表情包gif

分享收藏骷髅大叔杂项老家的猫上班时摸的鱼练的习黑暗之魂二乌格的

请查阅某高速公路的路基标准横断面图(见图1),路面结构.

山东省青岛市即墨古城

惊蛰节气图片素材配精美文案.#你好素材库 #唯美素材 #模板 - 抖音

应粉丝要求,来个三星s21u跟安卓之光小米11u拍月亮对比,他来了 - 西瓜

太冷了图片搞笑抖音太冷了冻死我了表情包

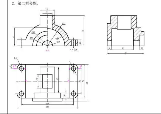
大一工程制图问题求解!关于全剖视图的尺寸标注该怎么标注?

九姐姐:自截图禁盗取堀北铃音