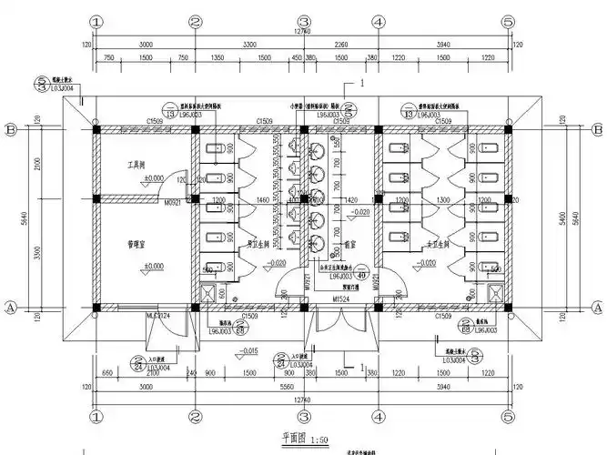
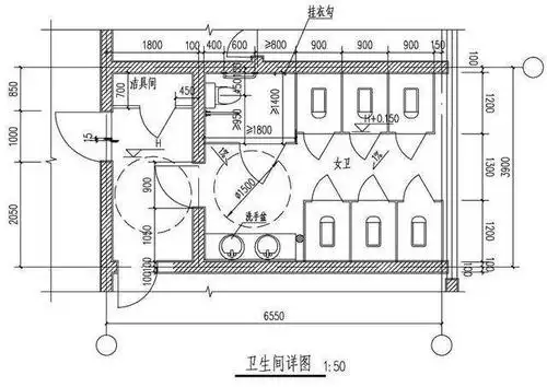
中式仿古风格公共厕所装修效果图纸

高清图片下载 免费 安全无风险
中式仿古风格公共厕所装修效果图纸

中式仿古风格公共厕所装修效果图纸

点击图片查看原图

图片信息

  • 格式: JPG
  • 尺寸: 1024x819
  • 大小: 约1.2MB

版权声明

相关标签

自然风光 高清壁纸 4K画质

分享图片

相关推荐

基于当前图片的相似推荐

现代公共厕所装修cad平面图片_设计456装修效果图

大型公共厕所平面图设计图片赏析--土巴兔装修效果图

健身会所公共卫生间平面图_装信通网效果图

简单公共厕所室内装修cad平面图_设计456装修效果图

公共卫生间设计要求讲解

分析,调查结果显示,10多年来,城区面积和人口翻了番,而可用公厕减了半

现代时尚公共厕所装修cad平面图_设计456装修效果图

随机推荐

发现更多精彩图片

任嘉伦颜值24岁34岁持续变化变得更迷人

妖神记284:肖凝儿越来越讨人喜欢,叶紫芸有点失去主角光环

七分裤高腰灯笼裤女夏季新款宽松大码显瘦阔腿口袋休闲萝卜裤白色m

在白色的充分猕猴桃图片

海景泳池别墅 (ocean view pool villa)

探访废弃的巩义孝大铁路

电视墙来做客厅隔断效果居然这么惊艳

电焊工持"证"上岗 被刑拘!

全面解析王者荣耀盾山仔细阅读三哥画了重点

检测出来是焦虑症,中度抑郁症,可是我喝了这个药就想吐恶心,你们有懂

预订semantic information modeling in formalized lang