卡通天王星行星.在白色背景查出的向量例证.婴儿用品的可爱打印照片

高清图片下载 免费 安全无风险
卡通天王星行星.在白色背景查出的向量例证.婴儿用品的可爱打印照片

卡通天王星行星.在白色背景查出的向量例证.婴儿用品的可爱打印照片

点击图片查看原图

图片信息

  • 格式: JPG
  • 尺寸: 300x300
  • 大小: 约1.2MB

版权声明

相关标签

自然风光 高清壁纸 4K画质

分享图片

相关推荐

基于当前图片的相似推荐

可爱的天王星行星卡哇伊字符矢量

天王星垂直信息促销海报

天王星,矢量,行星,绘画插图,分离着色

天王星三维矢量插图高质量等速溶胶

多彩的宇宙与天王星.卡通风格的矢量插图为任何设计.

卡通行星天王星在白色的背景

天王星.离太阳第七大行星.矢量图

卡哇伊卡的空间.漂亮的面部表情涂鸦.卡通天王星在星空中的插图.

天王星图标卡通风格孤立在白色

带有signplenet的天王星图像字符形式矢量插图

手绘/卡通元素 创意手绘天王星.ai

随机推荐

发现更多精彩图片

一见成龙误终身的吴绮莉年轻时有多灵?短发直逼陈法蓉

肌肉小姐姐萌版卡通的别样魅力大片高清无水印

李建群:63岁患癌去世,一生无儿无女,如今爱人也离开了人世

盘点捷德奥特曼中的真爱

墓王之王:骆时秋大战鬼差,场面极度好看绝学武功

汉服形制专用名词图解①.

壮族简笔画壮族简笔画图片

耳鸣是怎么回事 耳朵嗡嗡响是健康亮红灯_耳聋

奥迪a8l21款405万公里50舒适

3中国的河流第2课时滚滚长江课件新版湘教版20190118397ppt

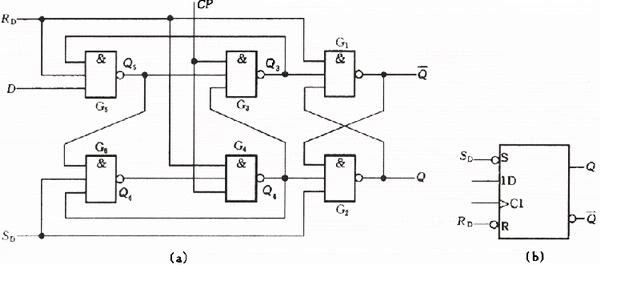
边沿d 触发器的逻辑图和逻辑符号 第1页