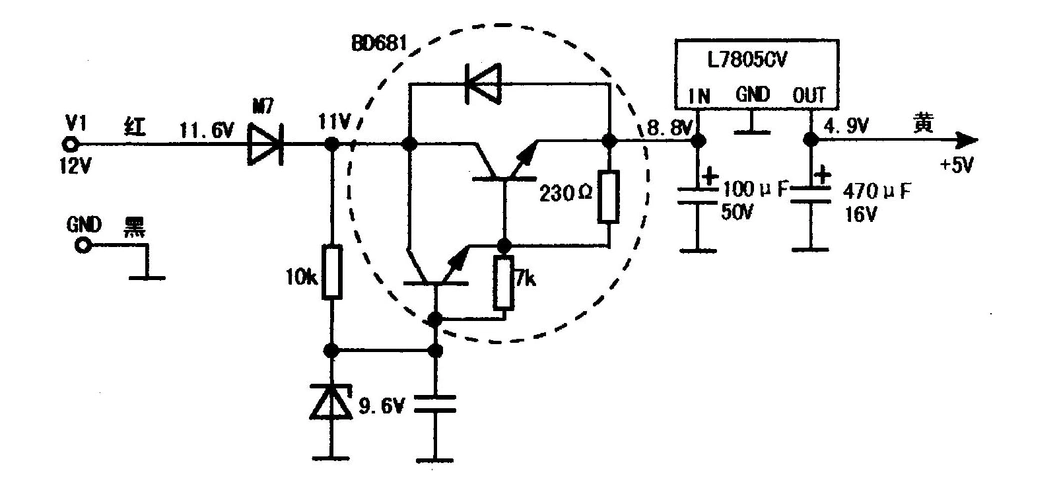
12v,5v直流稳压电路设计问题,高分求助!

高清图片下载 免费 安全无风险
12v,5v直流稳压电路设计问题,高分求助!

12v,5v直流稳压电路设计问题,高分求助!

点击图片查看原图

图片信息

  • 格式: JPG
  • 尺寸: 1012x549
  • 大小: 约1.2MB

版权声明

相关标签

自然风光 高清壁纸 4K画质

分享图片

相关推荐

基于当前图片的相似推荐

直流12v电源转化为5v的一些方案,供大家参考

车用12v转5v接口电路实绘图

用原子哥的12v转5v电路原理图做出来的电路不能正常工作

12v转5v降压芯片12v转33v稳压芯片电路图

怎么制作5v的直流稳压电源

高效率直流降压5v电路图输入电压7v到12v,最好是分立元件开关电路,不

电容降压的5v直流稳压电源

5v升12v的电路图icmc34063

12v转5v电源设计方案(lm2596浅谈)

随机推荐

发现更多精彩图片

小戴今年30岁,江苏人,高中毕业去当兵,2011年部队转业来到幼儿园

杨超越的现代剧和古装剧差别还是有点大啊

杨颖/angelababy 《王牌对王牌》/简介

靳东的妻子李佳曝光,你认识吗

大腿内侧有几个这样的红斑,背上和手臂后也有一个,这个是什么啊?

精品09年奔驰e280,自动天窗最高配,3.0 v6

猫和老鼠 43 追逐芝士球

耳朵后边的皮脂腺囊肿图片

首发火爆长沙的国潮点心虎头局霸气登陆魔都明日开城

一组壁纸 | 梅西 | 金球奖 老八老八