零食优选晓关店于1月26号盛大开业959595 开业当天全场 - 抖音

高清图片下载 免费 安全无风险
零食优选晓关店于1月26号盛大开业959595 开业当天全场 - 抖音

零食优选晓关店于1月26号盛大开业959595 开业当天全场 - 抖音

点击图片查看原图

图片信息

  • 格式: JPG
  • 尺寸: 1920x1440
  • 大小: 约1.2MB

版权声明

相关标签

自然风光 高清壁纸 4K画质

分享图片

相关推荐

基于当前图片的相似推荐

零食优选(深圳)福永店(桥新路店)

"零食很能嗨""景盟批发超市""零食优选"……各式各样的平价量贩式零食

【15图】整转|零食优选业绩稳定大公司,贵阳云岩未来方舟商铺租售

百草味零食优选长春店来咯

零食优选匠承谷物猫耳朵香辣味老式点心休闲网红小吃散称重大包装

来喽!来喽!《零食优选》 26日 - 抖音

现在开休闲零食加盟店怎么样?还赚钱吗?-零食优选

【10图】万宏国际(年收租27万)15米开间展示面 零食优选租约,昆明盘龙

零食优选加盟总部在哪里

低价转让零食优选加盟店

10月26日零食优选,全场8.8折,全场8.8折,全场8.8 - 抖音

休闲零食店加盟连锁_连锁加盟相关-长沙市六荣食品有限公司

随机推荐

发现更多精彩图片

妈妈头像简笔画长发 简笔画图片大全-普车都

手绘唯美舞蹈表演人物女孩元素插画

现货lanvin浪凡 22春夏新款 男士黑色低帮休闲板鞋 金色字母刺绣

适合大臂上的9张newschool纹身图片

创意个性台球游戏手机壁纸

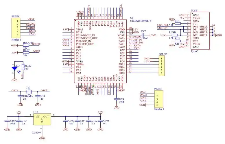
2.1 实验电路板原理图

历史上真正的德川家康(仁王与历史上的德川家康)(23)

原创主持人刚强一婚娶了蒋虎前妻坚持做丁克因爱43岁得一子