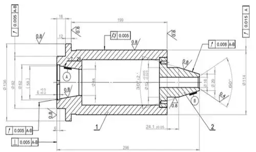
轴承座零件的机械加工工艺规程及典型铣床夹具的设计13张cad图纸说明

高清图片下载 免费 安全无风险
轴承座零件的机械加工工艺规程及典型铣床夹具的设计13张cad图纸说明

轴承座零件的机械加工工艺规程及典型铣床夹具的设计13张cad图纸说明

点击图片查看原图

图片信息

  • 格式: JPG
  • 尺寸: 841x595
  • 大小: 约1.2MB

版权声明

相关标签

自然风光 高清壁纸 4K画质

分享图片

相关推荐

基于当前图片的相似推荐

(共17页,当前第5页) 你可能喜欢 旋转练习题 机械零件图 ug练习图纸

锥齿轮座零件机械加工工艺规程及钻,攻4-m8螺纹孔工装夹具设计cad图纸

锥面的轴类零件在设备中属于常见的配合零件,通常这类零件图纸中锥面

锥齿轮轴零件图下载(43.07k,dwg格式) 机械cad图纸

机械零件图纸基础知识图解,机械零件图纸标注符号的含义_b2b吧

图纸来了:角阀(共13个零件)#技术分享 #图纸 #机械设计 - 抖音

角形轴承座 角形轴承箱机械加工工艺规程及钻2x25孔夹具设计[含高清

安全阀机械制图图纸资料

机械零件图纸你都读对了吗?

【零件图专题】机械制图教程-零件图的视图选择

随机推荐

发现更多精彩图片

插画师fernandonunes的一组字母插画

白皙|人种|肤色|亚洲人_网易订阅

宋知意/高清二次元酷帅动漫男头_男生头像_我要个性网

(min mix order $20 free shipping) fashion jewelry accessories

教你画画96简笔画动漫女孩简单好学可爱 快手

拍卖成交价在一百一十万以上的古钱币2020825

卡通可爱蓝色海边对话框主题框边框带通道aepr模板

顺治,康熙,雍正:清朝12位皇帝的年号有什么含义?

标志简约绿色绿色环保logo低碳环保绿色出行绿色生活低碳环保绿色环保

台州江北新区未来长啥样?方案评审结果出炉