直流12v低音炮btl接法的电路图子谁知道发一份?

高清图片下载 免费 安全无风险
直流12v低音炮btl接法的电路图子谁知道发一份?

直流12v低音炮btl接法的电路图子谁知道发一份?

点击图片查看原图

图片信息

  • 格式: JPG
  • 尺寸: 762x816
  • 大小: 约1.2MB

版权声明

相关标签

自然风光 高清壁纸 4K画质

分享图片

相关推荐

基于当前图片的相似推荐

6n2 6p1推挽电路图(四款实用电路图分享)

集成功放应用于btl的控讨

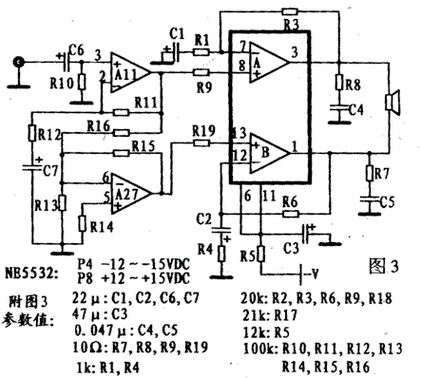
四,超重低音有源音箱图2 btl功放电路由运放皇ne5532和两只lm3886同相

展开全部 功放机没有串联或并联使用的;但是有功放机桥接或声道桥接

[ic后级] 急求cd6283cs的btl接法电路图

集成音频功放ic应用于btl方法探讨与实验

集成音频功放ic应用于btl方法探讨与实验

接法:btl集成电路给出的诸多参数就是按典型工作电压测试的正常工作

ta7240功放otl接法与btl接法电路图

随机推荐

发现更多精彩图片

清朝士兵军服上的字:兵和勇,虽只是一字之差,却是天壤之别

【精美壁纸5】【1920x1080】[30p] - avatar desktop icon | 桌面头像

海欣鱼籽福袋20粒 500g/袋更多商家报价图片海欣[苏宁生鲜]海欣灌汤

卡通美女化妆矢量卡通扁平化芋头水果png

谷雨影像丨全职带娃放弃事业新手妈妈半年崩溃无数次

王冬儿对霍雨浩的甜言蜜语没有抵抗力其实王冬儿也很厉害

环太平洋 #机甲 #ai绘画 #midjourney #环太平洋机甲 #复仇

17中国的铁路枢纽,内河航运,海洋运输2ppt

球王c罗做好重返欧冠赛场上的准备

220v可控硅调压器3000w电烧烤炉调温开关交流电机无极调速大功率