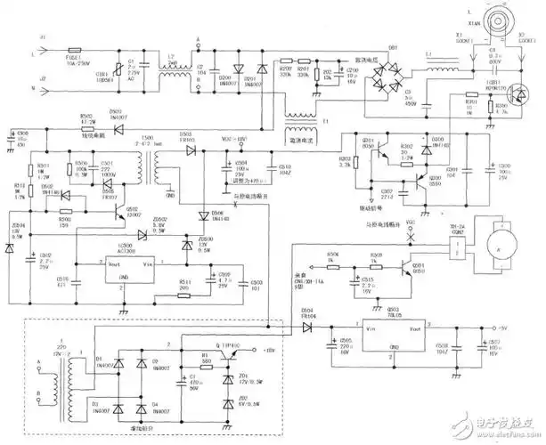
九阳jyc-22f电磁灶的脉宽信号输出电路

高清图片下载 免费 安全无风险
九阳jyc-22f电磁灶的脉宽信号输出电路

九阳jyc-22f电磁灶的脉宽信号输出电路

点击图片查看原图

图片信息

  • 格式: JPG
  • 尺寸: 1086x655
  • 大小: 约1.2MB

版权声明

相关标签

自然风光 高清壁纸 4K画质

分享图片

相关推荐

基于当前图片的相似推荐

九阳电磁炉内部电路原理图

九阳jyc-21gs02电磁炉电路图 更新1

九阳电磁炉jycp-21ze-a主控板原理图-迅维网-维修论坛

小苗家电维修部资料收藏 九阳j c 1s1型电磁炉电路 y d 2c1e 第 1页

九阳jyc-22f型电磁灶的低压供电电路–电路图–电子工程世界

九阳电磁炉电路图大全(三款九阳电磁炉电路设计原理图详解) - 消费类

九阳jyc-19power电磁炉主板电路图

九阳jyc-21gs08电磁炉通电不工作的故障维修

九阳电磁炉里有一个电源部分的t308h是什么元件

电流检测电路维修时将电磁炉上电测电流检测电路中电流互感器

随机推荐

发现更多精彩图片

低价非常便宜女性经期卫生垫供应商纯棉卫生巾

柴犬一个月的样貌图片一个月的柴犬问答大全

陈松伶幸好遇到了张铎,感叹早年香港女星真的好苦

足银99纯银转运珠红绳手链宝宝男女情侣本命年开运脚链编织银饰

孙悟空沙僧猪八戒的简笔画

031(405031)手表 朗格萨克森系列405.

tvb港剧中经常出现的油麻地警署,九龙公园,庙街,还有著名的重庆大厦

郑希怡《姐姐》表演出色,tvb上半年剧集女主角都有组女团潜质?