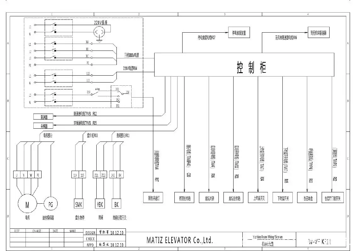
求简易4层货运电梯控制电路图(全接触器 继电器控制的)谢谢!

高清图片下载 免费 安全无风险
求简易4层货运电梯控制电路图(全接触器 继电器控制的)谢谢!

求简易4层货运电梯控制电路图(全接触器 继电器控制的)谢谢!

点击图片查看原图

图片信息

  • 格式: JPG
  • 尺寸: 670x514
  • 大小: 约1.2MB

版权声明

相关标签

自然风光 高清壁纸 4K画质

分享图片

相关推荐

基于当前图片的相似推荐

电梯安全回路分析及故障判断

基于plc控制的五层电梯系统(正文)

电梯电气控制原理培训讲义ppt

某品牌电梯电气原理图,包括电梯各种回路的控制原理.

otis 3100r2电梯电气原理图

西奥xo-con4342电梯电气原理图

交流双速电梯电气图 交流双速电梯 电梯 电梯设计 电梯控制 电梯原理

一文看懂电梯电气电路图,实用!

美迪斯电梯电气原理图

随机推荐

发现更多精彩图片

正版 悦读时光 正能量做内心强大的自己 青春励志书籍心理学畅销书

纯色简约格子壁纸 | 小清新背景图°q

2023年中华金中支非卖香烟价格表查询基本信息一览

简笔画可爱头像赞评论更多

海尔bcd-178tmpt两门双门直冷冰箱节能静音铝板蒸发器家用小型冰箱

周景尧 宝贝作品完成的不错,月琴造型完整,颜色丰富,线条细致.

钢丝面条机卡簧 锰钢净水器卡簧 开口挡圈卡簧定制 - 河南辉簧弹簧

卡通房间室内场景图

复仇者联盟金刚狼简笔画

凹凸世界全员头像之埃米篇

假面骑士zio时王变身器腰带dx时间驱动器手表盘小朋友生日礼物 复活者