e-value c型固定钳

高清图片下载 免费 安全无风险
e-value c型固定钳

e-value c型固定钳

点击图片查看原图

图片信息

  • 格式: JPG
  • 尺寸: 500x500
  • 大小: 约1.2MB

版权声明

相关标签

自然风光 高清壁纸 4K画质

分享图片

相关推荐

基于当前图片的相似推荐

焊接二牛大力多功能管焊对接对口固定夹钳工具大力钳

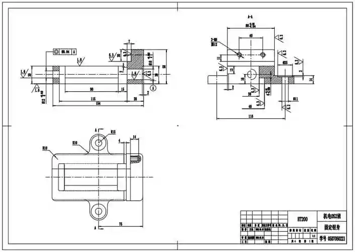
台口钳的固定钳身建模

固定钳身零件的加工工艺规程及铣工字型通槽的工装夹具设计【说明书

美耐特小型台虎钳360度w万向台虎钳铝合金固定钳支架桌虎钳

虎钳固定钳身 工艺及钻削2-Φ11孔夹具设计[含cad高清图纸文档资料

> 专业论文 > 毕业论文 图2固定钳座的零件图 图3固定钳身(上视)图4

厂家货源管子台虎钳固定龙门架夹钳重型水管钳压力台钳夹管钳

3.1固定钳身建模的分析方法

随机推荐

发现更多精彩图片

黄晓明去油成功?网友:又瘦又帅撞脸王嘉尔!

精美的花朵黑灰包小臂纹身4

蛇年1元币有一定收藏价值 值得一坏挥Τ醋

鬼灭之刃-雷之呼吸一之型-霹雳一闪-六

钟汉良(微博)饰演的陆励成一直单恋苏蔓

新中式紫金檀木轻奢实木电视柜现代简约客厅家具储物柜h6801 - 价格

4k显示器选27寸还是32寸? - 知乎

深圳·湾区之光摩天轮

徐州市铜山区新区师大十大花坊盘点_徐州市铜山区新区

阿拉伯数字75七十五从红色的玫瑰花isola

江山_歌谱简谱_哆来咪123曲谱网