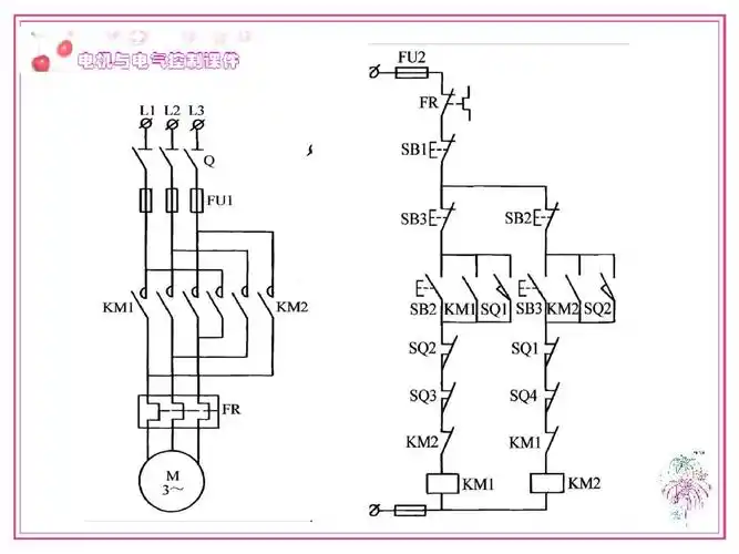
三相异步电动机正反转控制电路见附图.

高清图片下载 免费 安全无风险
三相异步电动机正反转控制电路见附图.

三相异步电动机正反转控制电路见附图.

点击图片查看原图

图片信息

  • 格式: JPG
  • 尺寸: 962x615
  • 大小: 约1.2MB

版权声明

相关标签

自然风光 高清壁纸 4K画质

分享图片

相关推荐

基于当前图片的相似推荐

电工新手,请教老师傅,发张控制电动机正反转电路图和实物接线图,发到

电工实训项目教程09-2三相异步电动机的正反转控制线路

三相电动机按钮,接触器双重互锁的正反转控制线路 如下右图所示为

三相异步电动机正反转控制电路(修改)ppt

电机正反转实物接线原理图

接触器控制电机正反转图纸

两相电电动机正反转控制电路图 - 2020年最新商品信息聚合专区 - 百度

三相鼠笼式异步电动机正反转控制

三相异步电动机接触器联锁正反转控制电路原理ppt

电机正反转电路:按钮互锁的正反转控制电路 按钮互锁的正反转控制电路

电动机反接制动控制电路 双重互锁的正反转控制电路

随机推荐

发现更多精彩图片

高冷社会暗黑系女头像超好看黑暗系超酷头像女生头像图片回车桌面

【2018-2019】独特的微信名字四个字名字大全2018最新版-范文模板 (4

美国第一颗原子弹叫瘦子,苏联叫南瓜,我国原子弹的名字很文雅_中国

侦探_沝鱼__插画师作品_涂鸦王国gracg.com

求一个戴珍珠耳环少女的q版

华为nova6(华为nova6屏幕多大尺寸) - 贵州在线

《魔道》完结篇晓星尘压轴出场,人设图仙气飘飘,正脸奶萌

97霸气吃鸡头像大放送93

吕义雄曝上美3月回款破5亿!这不是愚人节玩笑