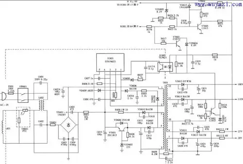
我设计的开关电源电路图

高清图片下载 免费 安全无风险
我设计的开关电源电路图

我设计的开关电源电路图

点击图片查看原图

图片信息

  • 格式: JPG
  • 尺寸: 1029x630
  • 大小: 约1.2MB

版权声明

相关标签

自然风光 高清壁纸 4K画质

分享图片

相关推荐

基于当前图片的相似推荐

分享9种实用开关电源应用案例电路图pcb原理

第四讲自激式开关电源2

开关电源电路图详解

自激开关电源电路图

个明纬s-145-24开关电源试改可调电源基本上成功,废话少说,下面电路图

待机功耗特低的开关电源-led电路图-电子产品世界

24v开关电源电路图及工作原理

开关电源电路图推荐效果图欣赏

29种彩电开关电源电路图和原理说明图

几种常见开关电源电路图

半桥式开关稳压电源实用电路

随机推荐

发现更多精彩图片

手机壁纸超炫酷带感的汽车壁纸高清版分享

有种烦恼叫王俊凯拍照,为了配合学员身高,脚上鞋子引热议_时候_图片

匡威 牛仔裤vs匡威 休闲裤,哪个组合更吸引你?

dota2 冰女 #dota2 #送你一张壁纸 #手机壁纸 - 抖音

老外敲门眼神搞笑gif动图_动态图_表情包下载_soogif

矢量卡通插画生日蛋糕海报背景素材

h5再设计 | 喜马拉雅年度收听报告

长沙2015年4月九龙海狮9座白色手动挡

元朝皇后及妃嫔列表部分收藏台北画像

这款本田杰德还不错,动力充沛空间大_车家号_发现车生活_汽车之家