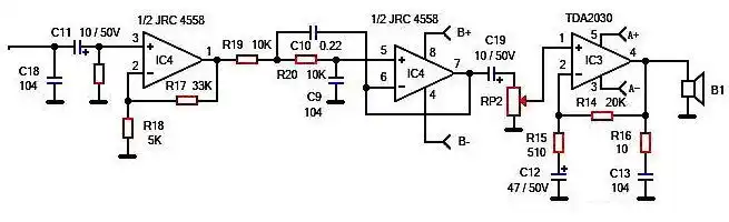
我想做个tda2003功放,提点建议吧

高清图片下载 免费 安全无风险
我想做个tda2003功放,提点建议吧

我想做个tda2003功放,提点建议吧

点击图片查看原图

图片信息

  • 格式: JPG
  • 尺寸: 920x590
  • 大小: 约1.2MB

版权声明

相关标签

自然风光 高清壁纸 4K画质

分享图片

相关推荐

基于当前图片的相似推荐

功放管2030坏了,想用2003替换,请问怎么替换,怎么改电路

tda2003功放电路,那几个线头都是干嘛的,音频与音量大小音频输出,都

急需tda2003功放原理图

tda2003功放电路原理图

因手头无此种功放块,所以决定用tda2003改装代换.

这个单电源btl电路,正常吗?

tda2003功率放大器电路图

随机推荐

发现更多精彩图片

16岁标准身高男 我是男生今年16岁身高才1米6多怎么才

李颖:富婆专业户,56岁不老女神

彩绳辫发脏辫神器儿童彩色头绳七彩丝带绑发辫子发带编发彩带发饰

皇室战争表情包 第二弹

红皮山水牌 脂粉混厚,雕工精美,俏色巧雕 #和田玉 #碧玉 #纯手工雕刻

表达对婆家失望心寒的句子三篇.doc 6页

长嘴怪鱼现身我国竟是来自美国的入侵物种有毒凶残可伤人

上海东方广播电视台