304不锈钢门大门 单开门子母门入户门防盗门家用乡村进户门双开门

高清图片下载 免费 安全无风险
304不锈钢门大门 单开门子母门入户门防盗门家用乡村进户门双开门

304不锈钢门大门 单开门子母门入户门防盗门家用乡村进户门双开门

点击图片查看原图

图片信息

  • 格式: JPG
  • 尺寸: 300x300
  • 大小: 约1.2MB

版权声明

相关标签

自然风光 高清壁纸 4K画质

分享图片

相关推荐

基于当前图片的相似推荐

厂家定制不锈钢子母门 新款不锈钢安全防盗门 热销

河北省任丘市建峰不锈钢防盗门厂的产品信息分布于以下类目中,请查看

定制大门双开门304不锈钢门单门家用别墅乡村入户农村进户大门防盗门

新款简约风格韩式不锈钢入户防盗门秀一波

江苏不锈钢防盗门门

定制304不锈钢门单门韩式防盗门家用别墅入户门单开商品房进户门

不锈钢防盗门 012[更新日期:2009-09-02]

定制304不锈钢门防盗门别墅进户大门不锈钢双开四开门入户门厂家已售

不锈钢防盗门坚固耐用,优越的安全性能

不锈钢大门 不锈钢防盗门 不锈钢安全门 不锈钢入户门 防盗入户门

304不锈钢门单门不锈钢防盗门家用安全门 室内不绣钢农村进户大门

佛山304#全封板不锈钢防盗门 整板不锈钢门 入户门 厂家直供

随机推荐

发现更多精彩图片

微胖妹妹复古蓝直筒牛仔裤女梨型身材宽松穿搭裤子高腰显瘦阔腿裤

惊现灵魂画师 玩家手绘全英雄火柴人

用听诊器检查病人心脏跳动的医生

素描入门:素描水果单体范画图片

十八垛黑龙潭大峡谷行

当减法与故事相遇,算式都奇妙而有趣——一年级数学绘本故事创编成果

大赢家诞生!西方5g,电动车一败涂地的背后,藏着中国的大秘密

五菱之光改装那点事

2019款宝马2系双门轿跑车225i运动设计套装

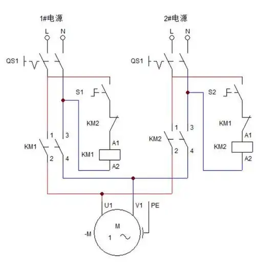
单相双电源自投控制原理图

爱在此刻 鲜花速递 11朵凡尔赛玫瑰花束网红抖音款送老婆女友表白生日