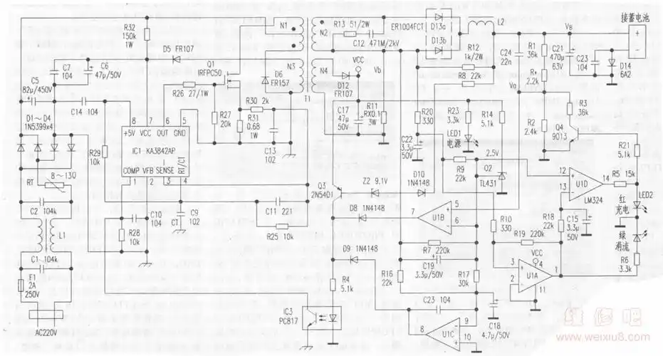
电动车充电器的电路图免费下载

高清图片下载 免费 安全无风险
电动车充电器的电路图免费下载

电动车充电器的电路图免费下载

点击图片查看原图

图片信息

  • 格式: JPG
  • 尺寸: 1062x648
  • 大小: 约1.2MB

版权声明

相关标签

自然风光 高清壁纸 4K画质

分享图片

相关推荐

基于当前图片的相似推荐

纸上谈兵之手抄72v电瓶车充电器电路

电路识图72电动车充电器电路原理详解

电动车充电器电路图

电瓶车充电器电路.jpg

充电电路中的电动自行车佳腾充电器电路图

电动车充电器电路原理图

免费文档 所有分类 工程科技 电子/电路 电动车充电器原理及维修(下).

电动车电瓶充电器电路图

台铃电动车充电器电路图

摩托车用电瓶充电器原理电路图

【电动车充电器电路图】电动自行车充电器电路图及工作原理

收集电动车充电器电路图30张,以备不时之需

随机推荐

发现更多精彩图片

1,《my boo》,发行时间是2020年8月18日,属于流行风格的歌曲,是wes

赵雅芝晒照咋看也没69岁啊看到素颜的赵雅芝网友难掩失望

法式细带水钻带钻银色透明一字带高跟凉鞋.

壁纸 鸟,鹰,喙,捕食者

西安大唐芙蓉园的灯展

以为八竿子打不着,实际是亲哥俩,这几对兄弟明星每一对都很低调

台湾灵异禁地第一名!恐怖片《杏林医院》正式预告

重型机车紧急避让突发障碍所需的腾挪空间比汽车大.

这个东西像塑料袋的感觉,不像是子宫内膜吧?我也不懂.

解决芯片短缺问题,长虹电器自研mcu芯片大获成功