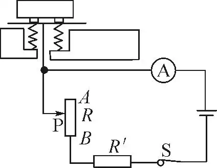
《初三物理》滑动变阻器的不同连接方式,用动画讲解正确的是_电路

高清图片下载 免费 安全无风险
《初三物理》滑动变阻器的不同连接方式,用动画讲解正确的是_电路

《初三物理》滑动变阻器的不同连接方式,用动画讲解正确的是_电路

点击图片查看原图

图片信息

  • 格式: JPG
  • 尺寸: 508x480
  • 大小: 约1.2MB

版权声明

相关标签

自然风光 高清壁纸 4K画质

分享图片

相关推荐

基于当前图片的相似推荐

l1,l2 规格相同,按图 1 所示电路图连接图2 的电路,要求滑动变阻器

实验二 用滑动变阻器改变电流

以下图已知电源电动势e5v内阻r2Ω定值电阻r1Ω滑动变阻器r2的阻值

(7分)用滑动变阻器改变小灯泡的亮度 (1)要求滑动变阻器向左移动时能

该电路滑动变阻器划片下滑则分析电路各部分的物理量变动情况.求解?

如图,电源两端电压恒定,当滑动变阻器接入电阻为r时,r0消耗功率为p0

在移动滑动变阻器滑片

动态电路中滑动变阻器的取值范围及功率范围

原理图滑动变阻器地磅原理图地磅的简单电路图电子秤原理及电路图汽车

滑动变阻器在电路图中时, 电流应该怎么走?

随机推荐

发现更多精彩图片

依谷网-专注于绿色生态农产品宅生活电商

心动春之旅#行者之埃及文化苦旅,还自己一个gap year

广南县打造天之广云之南原生态健康生活目的地

北京牛年春节饰品热销

麦家琪儿子偷看我以前的黑历史就应该掌掴他

稻田美景.在希望的田野上,稻香四溢,晚霞宜人 #美丽的风景无

龙浩航空首架货机验证飞行 机舱内另有乾坤!

10万买中型suv,"德系suv"新捷达vs5高光版更加出色?