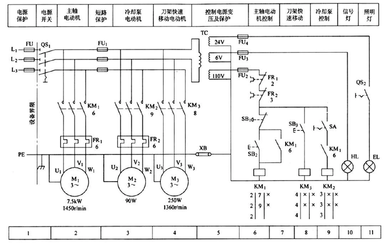
cw61100ecw61125e型普通车床电气原理图电路

高清图片下载 免费 安全无风险
cw61100ecw61125e型普通车床电气原理图电路

cw61100ecw61125e型普通车床电气原理图电路

点击图片查看原图

图片信息

  • 格式: JPG
  • 尺寸: 1316x809
  • 大小: 约1.2MB

版权声明

相关标签

自然风光 高清壁纸 4K画质

分享图片

相关推荐

基于当前图片的相似推荐

卧式车床电气控制线路分析

c6201型普通车床的电气控制图解

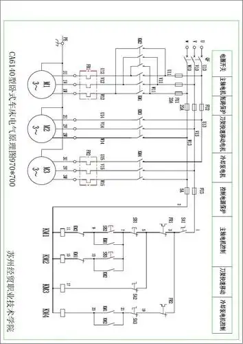
ca6140车床电气控制线路

无忧文档 所有分类 c620-1型普通车床的电气控制图解1) ,主电路分析

型普通卧式车床的控制

浅谈ca6140车床电气控制电路故障的检修

无忧文档 所有分类 工程科技 电子/电路 c6140车床电气控制原理图 第1

立式车床电气原理图 ca6140车床电气原理图 普通车床电气原理图 相关

cw6140型车床电气原理图和接线图电路

cw61100e普通卧式车床电路图

c650普通车床继电接触器控制电路图

随机推荐

发现更多精彩图片

费雯丽,那些绝代风华的美丽瞬间!

q版粉红长发可爱女孩,动漫二次元绘画人物

2000年合并更名,北大颐和园路,医学部在学院路)

四兄弟四姐妹动漫头像二次元

商人在鼓掌欢呼成功成功开心幸福团队

狮子座是多米尼克·托雷托,作为地下飞车党的老大,为人霸气.

韩式烤肉店招牌设计-效果图设计-一品威客网

国际禁毒日禁毒不停歇青春不毒行

宝箱怎么画如何画好宝箱

全民健步走蓝冰蝶手机随拍

水滴画法 零基础画画教程

一种具有新型轴承结构的卧式水轮发电机