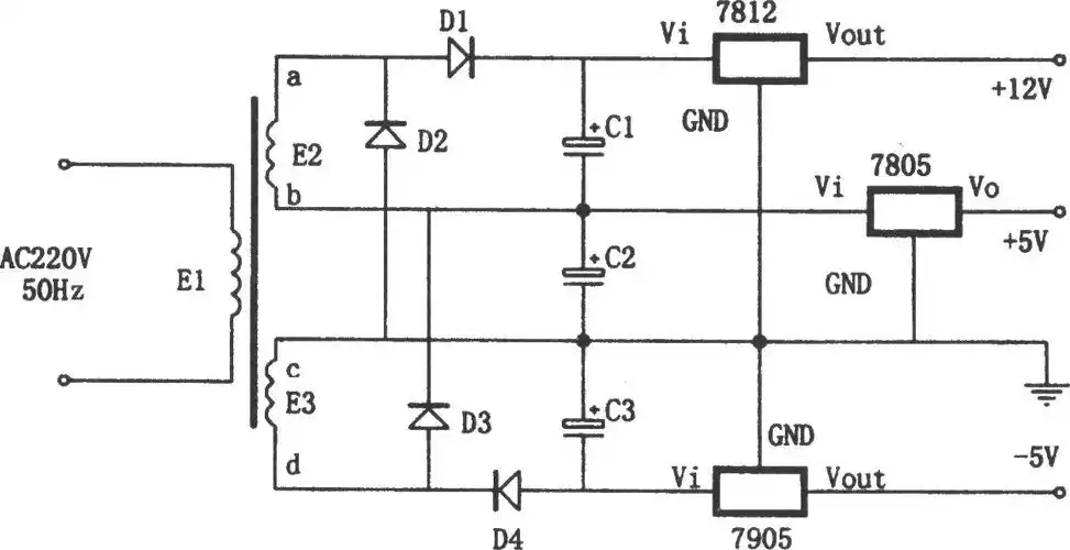
tl431调压电源电路问题_百度知道

高清图片下载 免费 安全无风险
tl431调压电源电路问题_百度知道

tl431调压电源电路问题_百度知道

点击图片查看原图

图片信息

  • 格式: JPG
  • 尺寸: 1144x421
  • 大小: 约1.2MB

版权声明

相关标签

自然风光 高清壁纸 4K画质

分享图片

相关推荐

基于当前图片的相似推荐

求助multisim仿真tl431电路,导致阴极没有电流,光耦也没有电流 - 24小

tl431调压 我想输出得到3伏,电流300ua或 3.3伏 电流700ua 是给ic供电

hifidiy论坛-最近掏的一台美国靓前级,谁知道什么牌子,供电多少伏的啊

tl431的3.7v电路的问题_百度知道

如何使用 基准tl431设计简易线性电源? - 知乎

用tl431制作大功率可调稳压电源的应用

使用on semiconductor 的 tl431 的参考设计 ,60w,19v 交流转直流单输

用tl431做欠压关断电路,不知是否可行?请大神来讨论一下_电源论坛_世

如图电路中tl-431的作用是什么?起保护电池低压作用吗?还是充电保护_

开关电源中tl431的运行原理及典型应用 - 21ic中国电子网

稳压电源电路图 - 电源电路图 - 电子发烧友网

随机推荐

发现更多精彩图片

集贤书画 || 为什么齐白石喜欢画老鼠?

是罗庭,李南星,陈丽霞,杨锡彬执导的古装武侠片,由李南星,朱乐玲

佛山市行政区划矢量图可编辑图.ppt 1页

今日份自拍请查收#笨蛋美女 #台球女孩 #今天长这样 - 抖音

53度.五角星商标.茅台老酒瓶.有盖子.

巾帼女英雄郭蓉蓉惨遭敌人蹂躏,还被开膛破肚,壮烈牺牲让人落泪

实质上就是黑咖啡(black coffee)

先启半步颠小酒馆|空间案例

迪士尼公主动漫头像