粘土 马上去度假 快乐的夏天,带上游泳圈的小鸭子~超简单的粘土手工

高清图片下载 免费 安全无风险
粘土 马上去度假 快乐的夏天,带上游泳圈的小鸭子~超简单的粘土手工

粘土 马上去度假 快乐的夏天,带上游泳圈的小鸭子~超简单的粘土手工

点击图片查看原图

图片信息

  • 格式: JPG
  • 尺寸: 720x1280
  • 大小: 约1.2MB

版权声明

相关标签

自然风光 高清壁纸 4K画质

分享图片

相关推荐

基于当前图片的相似推荐

粘土小鸭子.#超轻粘土手工 #手工diy #亲子手工 #粘土 - 抖音

简单的小鸭子摆件教程来了哦#超轻粘土手工 #粘土小鸭子#粘土 - 抖音

儿童粘土手工教程‖简单可爱的小鸭子.

每日一手工——小黄鸭粘土.可爱小黄鸭粘土,一看就会,超简单# - 抖音

超轻粘土教程第30期:小黄鸭

游泳圈小黄鸭粘土教程图解

幼师日常‖简单超轻黏土‖小黄鸭(附教程) 超轻黏土场景 先把鸭子做好

和孩子用粘土做几只可爱的小鸭子吧!#亲子手工 #手工diy #粘土手工

粘土教程|紫色沙发里的躺平鸭鸭摆件~葛优躺摆烂鸭2.

小朋友都喜欢的粘土小鸭子教程,简单易学!

和孩子用粘土做几只可爱的小鸭子吧

随机推荐

发现更多精彩图片

2003年病重的梅艳芳拒绝深爱之人探视至死不愿见他最后一面

至于网上上传的尸体照片,火化前被剥光衣服,没有手臂,这些都只是谣言.

纹身贴男麒麟貔貅穷奇持久花臂半臂手臂仿真刺青贴纸买包邮办公室

湖湘世家丨陈宝箴家族:一门三代四杰,被收入《辞海》

刀剑乱舞大俱利伽罗太刀 cosplay动漫武器 表演道具装备木未开刃

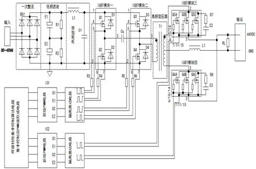
cn213318232u_一种前后级双重控制的高性能逆变焊机电路有效

屋里西瓜虫子怎么彻底清除小妙招.

面部凹陷部位多,为什么首选是脂肪填充?

第十三届全国美展综合材料绘画6

宁波天一阁儿童简笔画