stc系列单片机如何调用它的第二引脚功能对于p1口p2口p3口p4口p5口都

高清图片下载 免费 安全无风险
stc系列单片机如何调用它的第二引脚功能对于p1口p2口p3口p4口p5口都

stc系列单片机如何调用它的第二引脚功能对于p1口p2口p3口p4口p5口都

点击图片查看原图

图片信息

  • 格式: JPG
  • 尺寸: 608x611
  • 大小: 约1.2MB

版权声明

相关标签

自然风光 高清壁纸 4K画质

分享图片

相关推荐

基于当前图片的相似推荐

【tny276pn pdf数据手册】_中文资料_引脚图及功能_(帕沃英蒂格盛

【tny276pn pdf数据手册】_中文资料_引脚图及功能_(帕沃英蒂格盛

tny274-280 参数 datasheet pdf下载

【tny276pn pdf数据手册】_中文资料_引脚图及功能_(帕沃英蒂格盛

sap15np音响对管参数引脚功能

l293d电机驱动器的引脚功能

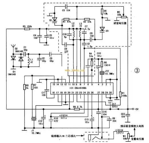
cxa1619bs各脚电压引脚功能.jpg

图2-1 at89c51和at89c2051引脚功能图

az431引脚图与pdf资料手册下载

随机推荐

发现更多精彩图片

鸟语花香 - 一阵风吹乱了四季 - 图虫

【新提醒】动漫&特效gif第三弹 - 动漫&特效参考&cg - cgwell cg薇儿

潮范美杜莎拉老年人裙子奶奶款中老年夏装休闲连衣裙阔太太短袖过膝

沈阳皇家海洋乐园(沈阳皇家极地海洋馆)

曾泳醍北青难忘雪山婚礼那一刻就是重生

揭开八姑包租婆的神秘面纱,广东著名演员黄伟香

贫穷兄弟头像~有情头~ 不发原图,小可爱们喜欢就自己保存吧~可做

有哪些梦幻唯美意境深远开阔颜色淡雅以景为主的的壁纸或图片

黑龙江团代表殷秀梅