演员现照大曝光

高清图片下载 免费 安全无风险
演员现照大曝光

演员现照大曝光

点击图片查看原图

图片信息

  • 格式: JPG
  • 尺寸: 320x480
  • 大小: 约1.2MB

版权声明

相关标签

自然风光 高清壁纸 4K画质

分享图片

相关推荐

基于当前图片的相似推荐

女儿也已经出嫁,精神状态也很好,过着平平淡淡的生活.

鲁冠球生前照片在拿到"准生证"之前的2013年,万向以2.

石乃文《白娘子》中的演员,一生仅演一个角色,46岁因病去世

石乃文的个人资料最后是癌症带走了他

阮虔芷采瑛采因扮演者徐慧宣素颜生活照金钹法王李敏郎陈夫人梁又南梁

新白娘子传奇演员今昔对比已有人去世组图

石乃文的个人资料最后是癌症带走了他

戚宝山石乃文,04年因癌症去世观世音?

新白娘子传奇演员今昔对比已有人去世组图

随机推荐

发现更多精彩图片

刘亦菲年轻时才叫惊艳时光,早期双麻花辫清纯写真,百看不厌 神仙姐姐

放弃直升考上中传第一!然而与企业思维相比,李湘学历毫不显眼

文艺小清新花卉唯美写真,高清桌面,手机锁屏图片-壁纸族

高清头像男生高冷帅气霸气

宋亚轩的笑容真的好治愈啊,看到弟弟的笑就很开心,有木有……__财经

女人嘴唇上痣相图解,女人嘴唇周围痣相图解

学员作业:在线学二次元日式插画漫画只动漫人物衣服绘制方法训练

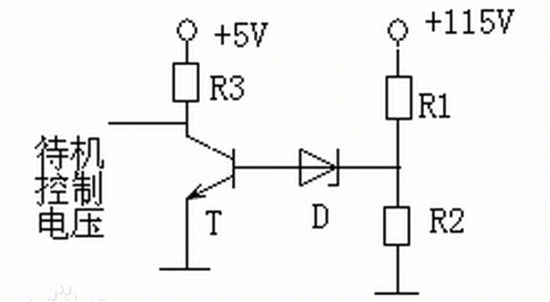
稳压二极管的应用电路与原理

千年之后龙葵的广袖流仙裙为什么颜色变深了