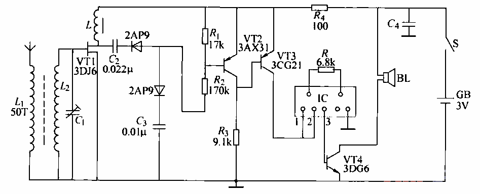
解读at89c2051遥控接收器电路设计原理-文章-课设毕设-通信类 - 畅学

高清图片下载 免费 安全无风险
解读at89c2051遥控接收器电路设计原理-文章-课设毕设-通信类 - 畅学

解读at89c2051遥控接收器电路设计原理-文章-课设毕设-通信类 - 畅学

点击图片查看原图

图片信息

  • 格式: JPG
  • 尺寸: 568x452
  • 大小: 约1.2MB

版权声明

相关标签

自然风光 高清壁纸 4K画质

分享图片

相关推荐

基于当前图片的相似推荐

遥控接收头的工作原理与检修方法

最简单的无线遥控器芯片电路图设计 百度文库使用

ta7657p(电子玩具)无线电遥控接收电路

医疗设备电路图 ->四通道互锁遥控器四通道互锁遥控器由发射器和接收

电动车遥控器电路图

无线电遥控车原理图(接收机原理图)-通信技术电路图-电子产品世界

电器遥控器原理图 - 应用电子电路 - 电子发烧友网

多功能红外遥控器(555,mc1558)

超小型400米无线遥控器电路

多功能红外遥控器(555,mc1558)-遥控电路

400m无线电遥控接收机电路

随机推荐

发现更多精彩图片

sone japan blog更新 林允儿图片美美自拍摩多摩多019969♀15

画一幅漂亮的风景简笔画视频教程秋天的风景简笔画简笔画风景秋天去哪

暗红色背景高清图片

这些运动品牌的鞋子,你都穿过吗?

关羽摩托赤兔车身身后玻璃装饰贴画个性搞笑汽车装饰贴

《杀戮尖塔》全球累计销量破150万 中国市场功不可没

缪洋剪纸:蝴蝶飞呀飞

手绘卡通袜子素材免费下载_觅元素

50万 红色 glc 260 4matic 动感型_奔驰glc二手车 - 小猪二手车

dynafont多国语字体——华康逸黑体 (缅甸文)