钢筋表示符号

高清图片下载 免费 安全无风险
钢筋表示符号

钢筋表示符号

点击图片查看原图

图片信息

  • 格式: JPG
  • 尺寸: 636x296
  • 大小: 约1.2MB

版权声明

相关标签

自然风光 高清壁纸 4K画质

分享图片

相关推荐

基于当前图片的相似推荐

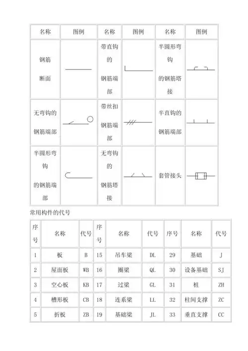
工程中常见钢筋图钢筋符号大全

p>钢筋符号,指的是钢筋 a href="#" data-lemmaid="5934974">参数 /a

最全钢筋符号钢筋表示方法零基础也能秒操作附钢筋符号字体

钢筋符号 钢筋符号大全

钢筋符号表示方法构件的代号

给我也传一份钢筋规格的表示符号可以不

工程中常见钢筋图钢筋符号大全.pdf

随机推荐

发现更多精彩图片

不过真的很帅啊,正脸照是最考验脸型的,邓伦真是什么角度都能完美驾驭

【图】刘亦菲大尺度出镜 新电影《夜孔雀》520上映

2020年第十六届海口市青少年科技创新大赛少儿科学幻想绘画获奖名单

我字的行书怎么写,我的行书书法 - 爱汉语网

金桔新鲜水果福建小金桔滑皮脆金桔子3/5斤 3斤

同学录ins风少女心小学生六年级韩版活页本初中网红毕业纪念 fenghou

p>巴尔干同盟(balkan league),是指1912年时位于欧洲 a target="