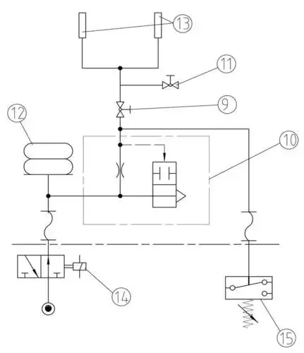
一种受电弓的气动控制系统及控制方法技术方案

高清图片下载 免费 安全无风险
一种受电弓的气动控制系统及控制方法技术方案

一种受电弓的气动控制系统及控制方法技术方案

点击图片查看原图

图片信息

  • 格式: JPG
  • 尺寸: 1000x513
  • 大小: 约1.2MB

版权声明

相关标签

自然风光 高清壁纸 4K画质

分享图片

相关推荐

基于当前图片的相似推荐

一种新型的25kv受电弓控制电路制造技术

cn209063901u_一种气囊式受电弓闭环控制装置有效

电动受电弓控制电路

集成于机车制动柜的受电弓升降控制单元

我想用运放倒相是否可行

一种受电弓的气动控制系统及控制方法与流程

qg-120(f)型单臂受电弓

一种气囊式受电弓闭环控制装置的制作方法

cn201677756u_一种受电弓控制装置失效

一种电力机车受电弓升降弓控制系统

高二物理《电能的输送》教案

随机推荐

发现更多精彩图片

wong),1969年8月8日出生于北京,中国流行乐女歌手,影视演员,中国优秀

古风小众女头像淡眉如秋水玉肌伴轻风

秦岚黑色抹胸开叉拖尾裙

可爱的毛茸茸羊驼可爱的毛茸茸的羊驼毛矢量图eps10

喇荣五明佛学院----益西彭措堪布

湖南华湘玻璃门窗有限公司-长沙建筑玻璃深加工厂家,主营钢化玻璃,中

成品复合实木门-成品复合实木门厂家,品牌,图片,热帖-阿里巴巴

越野皮卡成新潮流,2022款悍途山猫版提供"最优解"_凤凰网汽车_凤凰网

从化市水务局工作证,工作证,从化市水务局,工作证设计,工作证素材

中国红9899|世界上最高级的配色纯色壁纸

西湖区一级产区示意图△02/ 看标识正宗的西湖龙井茶有由杭州市西湖