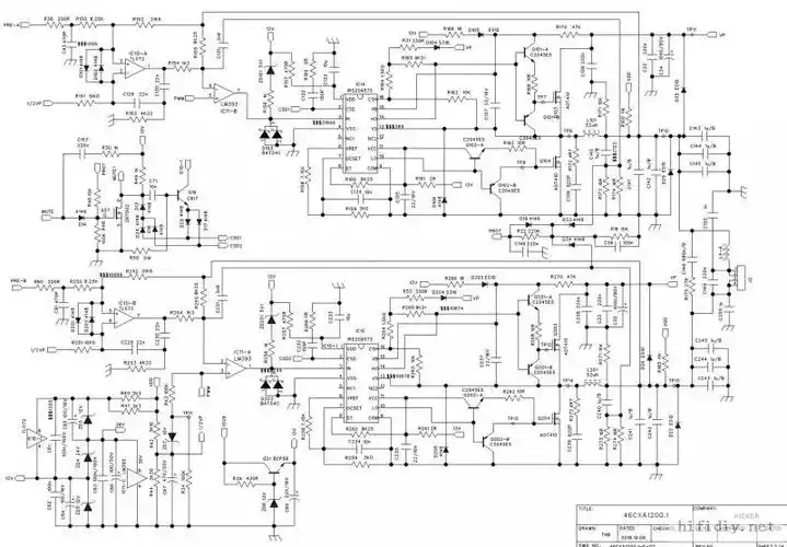
d类放大器irs2092引脚图电路图与资料手册下载

高清图片下载 免费 安全无风险
d类放大器irs2092引脚图电路图与资料手册下载

d类放大器irs2092引脚图电路图与资料手册下载

点击图片查看原图

图片信息

  • 格式: JPG
  • 尺寸: 942x532
  • 大小: 约1.2MB

版权声明

相关标签

自然风光 高清壁纸 4K画质

分享图片

相关推荐

基于当前图片的相似推荐

[diy制作] 为什么irs2092的功放在输入端都加一个ne555

irs2092功率放大器电路原理图免费下载

想做irs2092sd类功放有问题请教

irirs20921700w单路d类音频功率放大方案

irs2092s数字功放忒片13脚vs输出电压为-36.5v是什么问题?

irs2092集成电路制作d类功率放大器的注意事项notesofirs2092classd

高性能d类音频放大器驱动器auirs2092的主要特性及应用

irs2092s使用注意问题(ciass d iraudamp7s) - class-d - d类功放的

【2007年9月irs2092受保护的数字音频放大器特点6161616161

有关irs2092无耦合有干扰的情况

irirs20921700w单路d类音频功率放大方案

随机推荐

发现更多精彩图片

殷桃绿藤树下拍写真,穿白色衬衫少系扣走御姐范,眼神犀利不单纯_女性

顺德不锈钢药柜不锈钢文件柜304不锈钢药柜定制中药柜厂家

《刑警本色》开篇编剧张成功细说警匪对决的异彩世界|国剧初心谱

画画 #绘画 #jk #手绘 #proc - 抖音

仿古做旧便签纸【高清装饰元素png素材】-90设计

观赏鱼有千千万,独爱锦鲤这一挂,你知道为什么吗?

巧克力三色长毛吉娃娃弟弟

六边形立体3d宽屏桌面壁纸

感觉还可以就分享出来啦#电脑壁纸 #库洛米 #三丽鸥壁纸 #diy壁纸

大鱼 简谱分享 大鱼海棠主题曲 大鱼 简谱分享

绘画一学就会的小 strong>火龙简笔画 /strong>

抖音原始默认头像 - 抖音