哈曼卡顿avr505/507/130/230/330功放后级电路图

高清图片下载 免费 安全无风险
哈曼卡顿avr505/507/130/230/330功放后级电路图

哈曼卡顿avr505/507/130/230/330功放后级电路图

点击图片查看原图

图片信息

  • 格式: JPG
  • 尺寸: 368x871
  • 大小: 约1.2MB

版权声明

相关标签

自然风光 高清壁纸 4K画质

分享图片

相关推荐

基于当前图片的相似推荐

车载低音炮功放改电压

homnie2100汽车功放电路图

雅马哈rxv530功放后级电路图

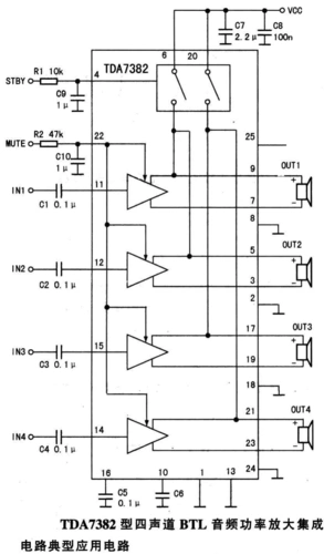
汽车音响ta8272h型四声道btl音频功率放大集成电路典型应用电路图

汽车功放电路_中国百科网

汽车功放电源电路分析

电子电路图纸简介: 汽车音响开关电源.gif

cn201039087y_一种车载功放电路失效

相关主题 你可能喜欢 汽车音响接线 功放电路图 d类功放 汽车电路分析

随机推荐

发现更多精彩图片

鹿晗|黄子韬|古力娜扎_网易订阅

4k高清横版壁纸之叶倾仙穿越现代,有你熟悉的地方吗?_都市_遐想_世界

张雪迎搞怪仰观楼上大神soogifsoogif出品gif动图_动态图_表情包下载

洛天依精美图6【锦依卫大人请进】萌新也进

杨紫颜淡热烈庆祝颜淡开播

钢琴谱蓝色生死恋ostreason

胡旋返场有优惠的方法买吗

2024年2月8日‖【四五版】纸币行情参考价格_相关_流通_人民币

抖音超火暴躁小熊表情包

山东现拔青萝卜5斤 新鲜萝卜 秋菜 大萝卜 萝卜 装新鲜蔬菜 装新鲜

东北特产茧蛹活活蝉蛹茧蛹柞树蛹干煸茧蛹鲜活茧蛹黑蛹每斤63个左右