双电源自动切换电路的识读方法

高清图片下载 免费 安全无风险
双电源自动切换电路的识读方法

双电源自动切换电路的识读方法

点击图片查看原图

图片信息

  • 格式: JPG
  • 尺寸: 640x656
  • 大小: 约1.2MB

版权声明

相关标签

自然风光 高清壁纸 4K画质

分享图片

相关推荐

基于当前图片的相似推荐

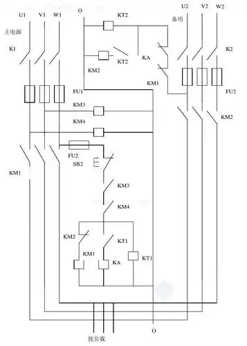
图8-20 双电源自动切换电路

关于双电源切换箱的电源监控问题 - 建筑电气技术 - 建筑电气论坛

本实用新型提供一种双电源切换系统,包括主电源电路,副电源电路,时间

一种双电源自动转换电路-爱企查

一种双电源切换电路

双电源切换控制原理

电路达人帮我做个双电源自动切换电路

双电源自动切换原理图

该双路电源自动投切供电电路由刀开关q1,q2,熔断器ful,fu2,控制开关sl

电源自动切换形式有哪些?

cn211266577u_一种双电源转换开关电机驱动电路有效

随机推荐

发现更多精彩图片

宝可梦#超可爱哒皮卡丘 twi:r_kumano

二战军官漫画头像_微信头像图片大全

倍数一百十连抽龙珠爆裂大战变托黑悟空卡池验证血统的时候到了

是字行书写法_是行书怎么写好看_是书法图片_词典网

刘宏伟团扇书法作品欣赏

ai智能黑白照一键上色软件picture colorizer pro

种植盆种菜的箱子种植箱阳台种菜神器带轮黑50长方形屋顶楼顶种菜箱

宝马 宝马3系 2021款 325li m运动曜夜套装图片

钰龙战刀(银色款)全长89cm ,刃长62.5cm ,柄长23.5cm,刃宽4.5cm ,厚0.