生产车间现场定置管理画线图

高清图片下载 免费 安全无风险
生产车间现场定置管理画线图

生产车间现场定置管理画线图

点击图片查看原图

图片信息

  • 格式: JPG
  • 尺寸: 960x720
  • 大小: 约1.2MB

版权声明

相关标签

自然风光 高清壁纸 4K画质

分享图片

相关推荐

基于当前图片的相似推荐

52张别人家车间现场5s管理图例,再对比咱们家的【标杆精益杂志】第689

三,smt 车间 5s 推行标准 1.地面

最新100张工厂车间5s改善案例图,张张经典

一组超全面的5s可视化标准,不知道的赶紧过来!

汽油机环车间定置管理一角

5s管理区域线定置线的画线标准尺寸颜色形状全了

5s管理图例pptppt内容这是车间现场5s管理图例ppt,主要介绍了定置管理

5s定置管理图片ppt模板

清一车间机械设备定置管理图.doc

随机推荐

发现更多精彩图片

郑爽节目直言不讳称和现在的男友很好不需要网友担心

路虎美女当教官带我撒野莫干山裸心谷视频

jojo的奇妙冒险 #空条承太郎 可惜你不再是那个17岁的 - 抖音

迪奥先生-经典腐漫排行榜中榜

肛门息肉是怎么一回事

春暖花开_简谱_搜谱网

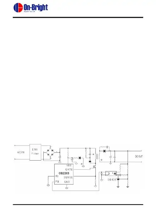
【ob2263电流模式pwm控制器频率抖动概述ob2263是一款高度集成的电流

海水钓场的钓法与钓组种类分析

婚姻辅导不是灵丹妙药 资深婚辅员:世上没有不适合

格林童话(美绘珍藏版)