电风扇电机 台扇电机 马达 落地扇 电风扇配件60w 机头

高清图片下载 免费 安全无风险
电风扇电机 台扇电机 马达 落地扇 电风扇配件60w 机头

电风扇电机 台扇电机 马达 落地扇 电风扇配件60w 机头

点击图片查看原图

图片信息

  • 格式: JPG
  • 尺寸: 750x602
  • 大小: 约1.2MB

版权声明

相关标签

自然风光 高清壁纸 4K画质

分享图片

相关推荐

基于当前图片的相似推荐

电风扇五线怎么接插头?插头只有两根线,知道的回答下,谢谢

风扇电机五根线,请问高中低档和电容怎么接线.

电风扇电机5根线怎么接

新的电风扇的电机怎么接线? 它里面有四根线 红白蓝黑 他们分.

风扇电机五根线怎么接电源

怎么才能让电风扇转速慢一些 电风扇怎么越转越慢啊

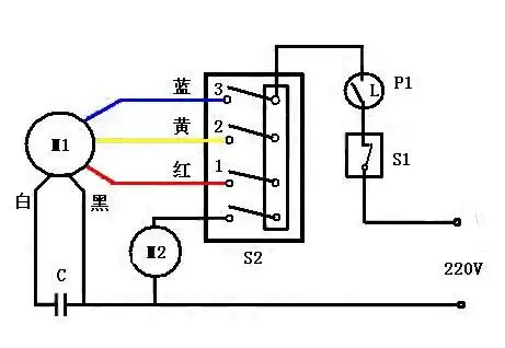
电风扇电机转向不需要转换,所以图中的转换开关不需要,转动方向决定后

遥控风扇电机五根线,改成三速怎么接

电工知识:电风扇的接线图解,大热天的买了电扇不会接咋办?

只有一个五线电风扇马达,不知道怎样接.不懂什么电容.

纯铜线马达150w超大风力大功率商务工业商用家用落地扇电机12mm轴

随机推荐

发现更多精彩图片

蓝色星空梦幻少女头像

小型服装店面室内设计效果图图集

美文共享安静是一个人最难得的气质

旧漫头像,ai绘画.打篮球的男孩最帅.#旧漫头像 #优质头像 - 抖音

安康香 - 企业商标大全 - 商标信息查询 - 爱企查

中国大运河沿线城市扩张时空差异研究

howtotalkabouthottopicsoncampus

电视背景墙设计大理石 木材的背景墙,线条利落,造型简单却符合新中式

私藏音乐系列:爆旋陀螺 ed system-b - cheer songs

非人学园悟空怎么样多图