求圣手魔方四阶入门教程图纸的照片 类似于下面我的那个三阶魔方图纸

高清图片下载 免费 安全无风险
求圣手魔方四阶入门教程图纸的照片 类似于下面我的那个三阶魔方图纸

求圣手魔方四阶入门教程图纸的照片 类似于下面我的那个三阶魔方图纸

点击图片查看原图

图片信息

  • 格式: JPG
  • 尺寸: 600x800
  • 大小: 约1.2MB

版权声明

相关标签

自然风光 高清壁纸 4K画质

分享图片

相关推荐

基于当前图片的相似推荐

逸夫小学四年级国际班之长项目学习"玩转数学"(一)_魔方

第一层)步骤一:复原底面十字玩前必读,魔方各种特征块的简介学前必读

(上)拼"十"方法#魔方教程 #益智 #魔方助手 - 抖音

《四阶魔方教程》1,拼中心块四色一致(遵循白色对面是黄色,红 - 抖音

魔方还原教程(速度比较快的方法)【免费】

儿童木质魔方积木索玛立方体方块拼搭脑力开发男女孩益智桌游玩具

四阶魔方转到第二层都转好,第三层经常碰到这种情况,该怎么把上面橙色

魔术方块三阶六面速解法.doc

三层魔方的六面还原 - 百无禁忌 - 这么好的博客

其实只能给拼好的完整魔方使用.连续6次才可以peter0

魔方入门1(一二三五步)

随机推荐

发现更多精彩图片

章子怡情感史及颜值变化回顾

伤感说说:早知如此绊人心,何如当初莫相识

标志是一匹站立起来的马是什么车啊

专辑 -《卓依婷 -1996 怀念邓丽君金曲》- 卓依婷

【图】何洁老公赫子铭资料大公开 两人相爱过程大揭秘

热点热门 萌宠表情 萌娃表情 斗图表情 锦鲤 土味语录 套路图 来自

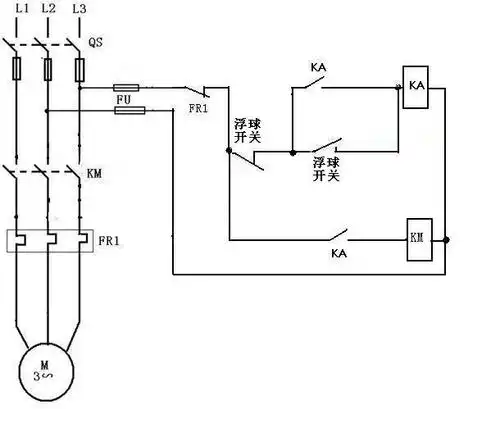
怎么利用浮球开关和接触器,中间继电器实现自动抽水电路图

盘点国内博物馆收藏的几件"人面鱼纹彩陶盆"

乐高moc 第五元素出租车

抗冲生态毯,禹城远景,运城抗冲生态毯河道