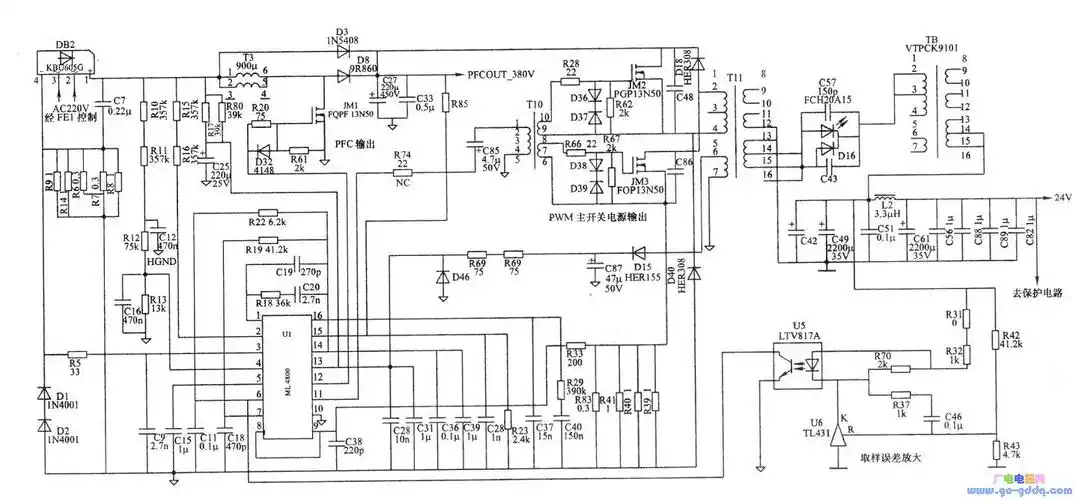
384_电路

高清图片下载 免费 安全无风险
384_电路

384_电路

点击图片查看原图

图片信息

  • 格式: JPG
  • 尺寸: 2374x1667
  • 大小: 约1.2MB

版权声明

相关标签

自然风光 高清壁纸 4K画质

分享图片

相关推荐

基于当前图片的相似推荐

游戏悍将电源维修之四

求助一下mc33153的测试电路

电动缝纫机空载节能器二

35w/13v输出开关电源电路图

不带载的,mc33063是直接接在tps61232后面的.

夏新t3系列电源板功率因数校正电路原理分析

次级1.22mh.mos管是随便找的10n60.mos管发热严重没3秒就烧了.图片来

路邮器电源uc3843b故障快修一例

hifidiy论坛-lm317,lm337有源伺服电源 - powered by discuz!

格力kfrd-35gwa分体式空调室内机微电脑控制电路图

三相永磁无刷直流电机mc33035控制系统电路图三相信号产生 电路图

随机推荐

发现更多精彩图片

男生短头发不用烫的发型 让你帅到极致的短头发

土茯苓苗 土茯苓苗批发 土茯苓苗供应 土茯苓苗基地

《红船颂--建党百年,弘扬红船精神》

动漫男生头像惊喜总在你觉得不可能的时候突然来到

摄影设计丨一笼小幸运-西式菜

【讨论】狗狗的脂溢性皮炎

snh48-王奕@snh48-周诗雨@gnz48-郑丹妮-@snh48-段艺璇-@snh48-杨冰怡

中国笔画最多的汉字盘点:笔画比较多的字排行榜 - 笔画最多的字黄,做

主人通常喜欢跷着"二郎腿" 时间一长,家里的猫竟也学会了这招

迪庆州芦花鸡苗价格市场广阔的原因.