刀锋400水冷300摩托车跑车国四电喷双缸重型机车整车可上牌燃油 黑色

高清图片下载 免费 安全无风险
刀锋400水冷300摩托车跑车国四电喷双缸重型机车整车可上牌燃油 黑色

刀锋400水冷300摩托车跑车国四电喷双缸重型机车整车可上牌燃油 黑色

点击图片查看原图

图片信息

  • 格式: JPG
  • 尺寸: 750x950
  • 大小: 约1.2MB

版权声明

相关标签

自然风光 高清壁纸 4K画质

分享图片

相关推荐

基于当前图片的相似推荐

杜卡迪v4 1199s摩托车蛟龙400cc双缸水冷跑车大排量趴赛重机车

进口哈雷金刚狼复古重机机车跑车大地鹰王爆改x48摩托车整车

川崎h2r跑车雅马哈r1机车小忍者趴赛r3地平线250cc北极光r6摩托车

春风250sr跑车nk400重机机车国宾巡航旅行车nk150摩托车整车

00川崎忍者摩托车外壳采用abs材质打造,强度高,色泽饱满,整体造型十分

进口杜卡迪1199跑车696小怪兽大魔鬼街车四缸重机车公路赛摩托车

全新机车重机地平线r3忍者v6公路跑车电喷摩托车整车

雅马哈r1摩托车北极光250双缸水冷400重机车小忍者跑车地平线整车

宝马款单摩托车跑车大型趴赛公路机车整车上牌摩托车整车

地平线2代s款摩托车跑车大跑车150到250cc发动机赛摩街车大公路赛

全新可上牌h2摩托车跑车400cc双缸水冷重型机车地平线趴赛公路赛

随机推荐

发现更多精彩图片

吴孟达只会演废柴中年大叔?一个眼神诠释反派的阴狠

番鬼灭之刃炼狱杏寿郎调修头像

何超莲窦骁婚礼# 探秘印尼巴厘岛:窦骁和何超莲

关于宋亚轩的微博昵称(关于宋亚轩的qq昵称)-天晟网

来总结一下:如果晚上不刷牙长期以来就会到牙齿龋坏,牙齿表面长黄色的

苹果黑色标志高清图片壁纸1280x960分辨率查看

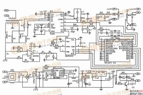
基于dcdc控制芯片的开关电源电路图

彩铅手绘大虾附步骤

梦倾城安全生产横幅条幅质量消防安全宣传标语条幅横幅消防安全横幅

建军90周年主题展开幕 多种装备实物亮相