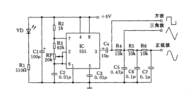
555多谐振荡器电路

高清图片下载 免费 安全无风险
555多谐振荡器电路

555多谐振荡器电路

点击图片查看原图

图片信息

  • 格式: JPG
  • 尺寸: 378x407
  • 大小: 约1.2MB

版权声明

相关标签

自然风光 高清壁纸 4K画质

分享图片

相关推荐

基于当前图片的相似推荐

proteus仿真之电路之ne555的基本应用

555集成电路的简易光控电路的原理图 第1页

电路图画出来,谢谢各位!

555芯片组成的方波,三角波,正弦波发生器电路图

555闭环三相多谐振荡器

555组成的信号延迟电路图

ne555数字功放电路问题

用555组成的三个元器件组成的方波发生器电路

555单稳态电路不知道哪里有问题!

555芯片内部结构及应用电路

随机推荐

发现更多精彩图片

毛氏族谱_卷003 - 家谱 - 收藏爱好者

铁骑士头盔的矢量图像

超市堆头这样做更有助于提升销售你知道吗

油画.抽象多彩的梦幻水下.插图半抽象艺术.鱼在海里的形象.手绘, 儿童

不来方夕莉-暴衣,预览

排球界的女神巴西美女国手美艳动人颜值不输谢拉

2023年正式投产 | mini首款国产车型将由长城宝马联手打造

腹股沟直疝为腹股沟区可复性肿块,位于耻骨结节外上方,呈半球形,多无

2010年12月5日上午九时,山东省青岛市佛教协会在青岛湛山寺般若堂召开

王者荣耀夏日英雄头像