设计灵感丨坡屋顶原来可以这么现代澳大利亚超现代坡屋顶别墅

高清图片下载 免费 安全无风险
设计灵感丨坡屋顶原来可以这么现代澳大利亚超现代坡屋顶别墅

设计灵感丨坡屋顶原来可以这么现代澳大利亚超现代坡屋顶别墅

点击图片查看原图

图片信息

  • 格式: JPG
  • 尺寸: 720x1079
  • 大小: 约1.2MB

版权声明

相关标签

自然风光 高清壁纸 4K画质

分享图片

相关推荐

基于当前图片的相似推荐

别墅屋顶实景图 别墅顶层的斜屋顶设计-图片大观-奇异网

坡屋顶设计效果图大全:探寻传统与现代的融合之美_建筑_元素_创新

带坡屋顶设计绝美现代风别墅设计.2023年首款别墅设计图纸, - 抖音

一层平屋顶农村自建房设计图简单易造主体10万左右

古典三层坡屋顶自建房屋详细建筑设计图

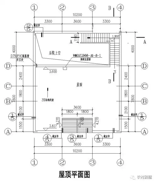
6精致经典别墅建筑施工图 屋顶平面图及大样

88款不可不知的坡屋顶设计!-筑龙博客

5款现代农村自建房别墅效果图施工图,平屋顶设计,简约实用!别墅效果图

红瓦屋顶别墅外观设计效果图

坡屋顶乡村自建房设计巧夺天工的手法赋予了房屋灵魂一般

三层现代平屋顶别墅设计图简单实用人人都喜欢

多层坡屋顶住宅楼建筑设计图

随机推荐

发现更多精彩图片

锦心似玉之后钟汉良搭档十年荧屏cp合体撒糖网友超想看

范冰冰最新活动照,一袭超长黑色斗篷搭驴蹄鞋霸气依旧,气场满分

早上好99兄弟姊妹们晨起去饮茶食点心啦6868 - 抖音

四条纯棉可爱儿童内裤女童平角宝宝女孩四角内裤

临摹非原创 b5网格本 5mm格子 23×22 #像素画# #像素画教程# #皮卡丘

358汇华希尔顿2大2小自助晚餐

小蜗牛擦上润滑油,奔跑速度比赛车都要快,一部喜剧动物电影

李日朗不愿再提分手女友蔡思贝变靓不怕被指整容

李世民御驾亲征遭反对关键时刻还是杨妃靠谱

贝多芬简笔画卡通贝多芬简笔画贝多芬简笔画

延时摄影timelapse草莓生长gif动图_动态图_表情包下载_soogif

宝鸡解甲滩,自然与历史交织,夏日休闲好去处