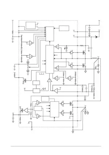
低噪声音频前置放大电路

高清图片下载 免费 安全无风险
低噪声音频前置放大电路

低噪声音频前置放大电路

点击图片查看原图

图片信息

  • 格式: JPG
  • 尺寸: 1429x633
  • 大小: 约1.2MB

版权声明

相关标签

自然风光 高清壁纸 4K画质

分享图片

相关推荐

基于当前图片的相似推荐

采用三菱低噪声双运放m5218l的mm唱放

> ncp5218 (on semiconductor) 2−in−1 notebook ddr

技术资料 电路图 控制电路 运放器的电压线路电路图 来源: a href=&

启达启臣微电源芯片cr5218sascsdsesg应用指导书

两级运放仿真电路图

科学教育类芝麻团 2016-07-06 8要吓我 采纳数:1039获赞数:5218lv

增加运放输入电压采集补偿运放失调电压的装置

> hfct-5218m 622 mb/s single mode laser transceiver for atm

启达cr5218做5v21a兼容lp3668lp3669

康佳5218手机维修 图一--电路图-技术资料-华强电子网

随机推荐

发现更多精彩图片

简单修饰脸型显脸小_锁骨发_法式刘海_显脸小_修饰脸型_发型_减龄

20岁未婚女征婚照片(id:104625462)_上海征婚交友_珍爱网

这才是大名鼎鼎的秋田犬!你认错了吗?

孟加拉国砖厂工人血汗实录

于和伟也是一位实力派演员

vivo y81s 刘海全面屏 全网通手机 3gb 64gb 宝石红

2019最新微信情侣头像一左一右超拽个性黑白情侣yy头像

原创《爸爸去哪儿》第六季开播,陈小春回归,何猷君做实习哥哥带萌娃

手绘伪教程教你画一只可爱的蕾姆手绘实况无加速全程蕾姆24p请三指