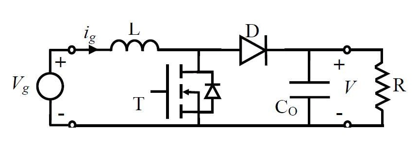
boost电路解析ppt

高清图片下载 免费 安全无风险
boost电路解析ppt

boost电路解析ppt

点击图片查看原图

图片信息

  • 格式: JPG
  • 尺寸: 1080x810
  • 大小: 约1.2MB

版权声明

相关标签

自然风光 高清壁纸 4K画质

分享图片

相关推荐

基于当前图片的相似推荐

boost变换器的主电路怎么画?

文档下载 所有分类 工程科技 电子/电路 > boost变换器原理第1页 下一

学习分享:dcdc转换的升压电路—boost # boost升压电路主要利用了

学习笔记:简谈boost升压电路

(2)能实时监测和闭环控制输出电压,电流,单片机pwm控制boost电路输出

几种boost升压电路图汇总

diy多快充协议太阳能充电器boost升压电路

2.升压转换器-boost converter

一种飞跨电容三电平boost电路

双向buck-boost变换电路

boost 电路 small footprint 的 design - 知乎

随机推荐

发现更多精彩图片

2016年通城学典课时作业本五年级语文上册语文s版

宝可梦木木枭pixiv同人插画图片

天津市滨海新区的gdp增幅依然未达到预期:已不是gdp最高的市辖区

有规划的努力奋斗每一天!这才是不白活的每一天!才是人生!

银装素裹的莽山五指峰

5上海摩登 红花会 黑怕不怕黑

全国优秀县委书记张振丰任温州市代市长履新不到一个月再任新职

羊村守护者4之我是小灰灰

同仁堂 同仁大活络丸 3.6g*6丸0711

予白婚纱yuwhitebridal婚纱