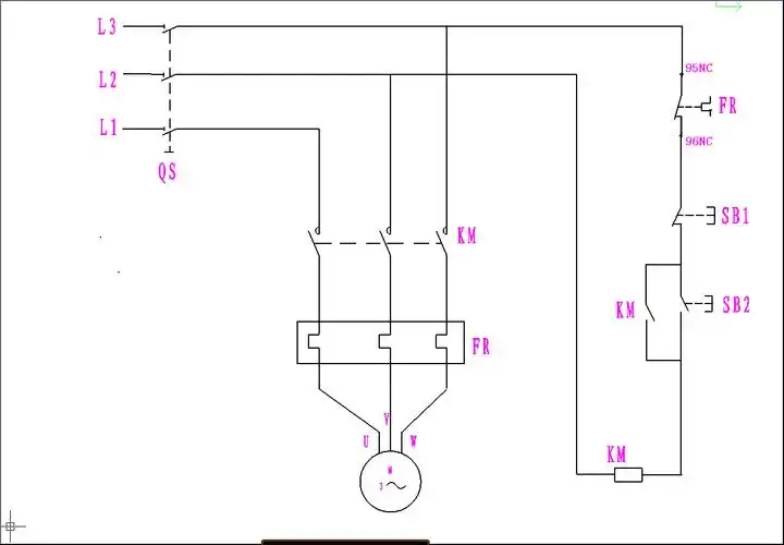
380v三相异步电动机怎么接线三相异步电动机实物接线图

高清图片下载 免费 安全无风险
380v三相异步电动机怎么接线三相异步电动机实物接线图

380v三相异步电动机怎么接线三相异步电动机实物接线图

点击图片查看原图

图片信息

  • 格式: JPG
  • 尺寸: 626x305
  • 大小: 约1.2MB

版权声明

相关标签

自然风光 高清壁纸 4K画质

分享图片

相关推荐

基于当前图片的相似推荐

一起学电工三相电机自锁电路接线图电压36v380v接触器

三相电机的接线方法

380v两个接触器两个行程开关一个电磁阀一个脚踏开关怎么接

380v用限位开关同时断电机电和电磁抱闸 还要能在此启动电机和抱闸

380v交流接触器接时控开关起动按钮接线图

这很简单啊,你自己会用一套按钮控制380v的接触器控制一台电机吗?

一起学电工三相电机自锁电路接线图电压36v380v接触器

三相脚踏开关cjx2-1801接触器二个控制380v电机倒顺如何接线

三相电怎么计算多少度电?380v的电30千瓦的电机一小时

380v交流接触器带指示灯按扭接线图

380v三相电动机接线图?380电动机正反转接线彩图?

今天大兰电机厂家告诉大家三相油泵电机的保护器是如何接线的.

随机推荐

发现更多精彩图片

网红抖音直播衣服女主播服装辣妹性感假两件显胸大上镜好看的上衣

张艺谋《悬崖之上》首发预告片,张译于和伟冰城喋血

邹兆龙,一个很有爱国情怀的香港老演员

四年级寒假400字作文 剪窗花.docx

第11页 (共43页,当前第11页) 你可能喜欢 欧洲东部北亚与俄罗斯 气候

中国古代神话中的瑞兽"麟,凤,龟,龙"四灵之一的麒麟

中国和俄罗斯瓜分了蒙古(蒙古帝国灭亡后的亚欧大陆领土争夺:中国和

涡扇-15是一款中国沈阳发动机研究所研发,西安航空发动机公司设计

2016年福特锐界2.0t四驱尊锐顶配