双人瑜伽演绎温馨与浪漫

高清图片下载 免费 安全无风险
双人瑜伽演绎温馨与浪漫

双人瑜伽演绎温馨与浪漫

点击图片查看原图

图片信息

  • 格式: JPG
  • 尺寸: 599x800
  • 大小: 约1.2MB

版权声明

相关标签

自然风光 高清壁纸 4K画质

分享图片

相关推荐

基于当前图片的相似推荐

2015唯美如画双人瑜伽,你不容错过!

双人瑜伽闺蜜瑜伽 #瑜伽摄影 - 抖音

最美双人瑜伽拍照体式,没有之一

双人瑜伽拍照体式.做一个暖暖和和又有光的人# 瑜伽 # 户外 - 抖音

迎着海风,练习双人瑜伽的美女

双人瑜伽体位拍摄,感谢lisa和她的印度老师.

双人瑜伽这样拍,才更美

12个简单的双人瑜伽姿势增加彼此关系和健康 最常见的双人瑜伽体式

12个简单的双人瑜伽姿势增加彼此关系和健康 最常见的双人瑜伽体式

12个简单的双人瑜伽姿势增加彼此关系和健康 最常见的双人瑜伽体式

随机推荐

发现更多精彩图片

郑恺为孩子坦然面对失败而骄傲##一路长大

气质侧脸女生头像系列热情别给错了人

香山寺位于十三朝古都洛阳城南13公里处的香山西坳,与世界文化遗产

相声大师眼中的香河肉饼

chromatic立体机械设计,高清图片,电脑桌面-壁纸族

2020本期六合彩开奖记录

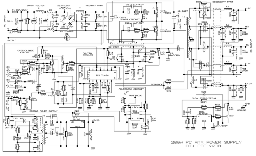
开关电源电路原理(附原理图)

78hello早安九宫格拼图文案

600_450gif 动态图 动图

六拳包括金刚拳,莲华拳,内缚拳,外缚拳,如来拳,忿怒拳.

绘本故事狐狸孵蛋flash动画在线观看免费下载

工厂生产亚克力防飞沫防护隔离板 学校学生用可折叠防护板