都做805我也做

高清图片下载 免费 安全无风险
都做805我也做

都做805我也做

点击图片查看原图

图片信息

  • 格式: JPG
  • 尺寸: 678x675
  • 大小: 约1.2MB

版权声明

相关标签

自然风光 高清壁纸 4K画质

分享图片

相关推荐

基于当前图片的相似推荐

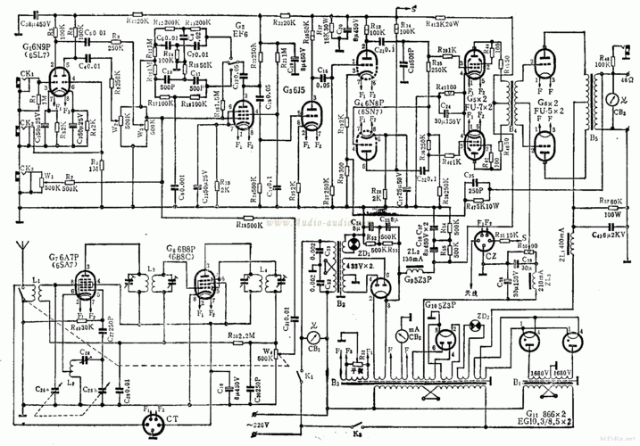
电子管805单端电路图

再战805两套方案已拟定不知道那一套表现更好点

805单端很难做吗 - 〓电子管技术区〓 - 矿石收音机论坛 - powered by

805胆机电路-综合电路图-电子产品世界

805单端胆机功放电路图-电子管功放-维库电子市场网

805单端胆机功放电路图-电子发烧友网

关于电子管805功放声音很小的问题!

关于电子管805功放出声音弱的问题!

we437a 6l6gc 805胆功放电原理图.jpg

随机推荐

发现更多精彩图片

分享一组超可爱二次元,动漫女孩线稿

男生两边铲帅气短发欣赏英俊帅气的男生短发打造

袁冰妍一袭黑色连衣裙搭配高级珠宝诠释迷人韵致

我的世界minecraft中国版官方网站你想玩的这里都有

健身房练瑜伽健身的美女图片-人物壁纸-高清人物图片-第9图-娟娟壁纸

后来-刘若英(吉他谱_六线谱) 吉他谱

润以繁体字形象设计,同时运用了中国文化

山东王韩复榘,盘踞山东省长达7年,如何拥有14万军队?_军阀

美丽的夕阳简笔画图片教程夕阳怎么画夕阳简笔画画法日落晚霞简笔画

小白兔简笔画画法图片步骤涂颜色

25k徐工汽车起重机技术参数