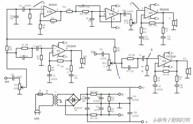
索尼cmt-cp500md组合音响卡座维修(续)

高清图片下载 免费 安全无风险
索尼cmt-cp500md组合音响卡座维修(续)

索尼cmt-cp500md组合音响卡座维修(续)

点击图片查看原图

图片信息

  • 格式: JPG
  • 尺寸: 640x451
  • 大小: 约1.2MB

版权声明

相关标签

自然风光 高清壁纸 4K画质

分享图片

相关推荐

基于当前图片的相似推荐

901p放大器均衡器维修电路图,本音响维修电路图纸手册为电子版 大小

漫步者音箱维修(漫步者音响功放c1故障维修)_环球信息网

分析及维修earson多媒体有源音箱电路

电子分频电路,功放电路,一块块调通,终于出声了,等着蓝牙主控板的pcb

第二张是组合音响的面板电路图

mba1600专业功放维修示意图

音响电路板接线图解分析

功放/音响/收扩 audionote audionote-p4-pwr-sch维修电路原理图.pdf

用专用工具打开此盒:映入眼帘的是cd机芯和三层叠装的三张电路板:最

南海120-2型汽车音响磁带放音左,右声道扬声器均无声 - 精通维修下载

mc-1602调音台雷击后的检修方法_电路图及diy资料专区_hifi音响

随机推荐

发现更多精彩图片

万万没想到,吴京,关晓彤等13位明星,竟然全都是"皇氏后人"_网易订阅

欢乐水果机可提现版

恐惧的利姆露_关于我转生成为史莱姆的那件事萌王利姆露q版愤怒头像

2岁宝宝剪什么发型男两岁宝宝剪什么发型好看

《轨迹》吉他谱_c调中级版_六线谱-吉他客

唯美漂亮的水手服美女头像,女生头像图片-回车桌面

罗甸县公安局原创反诈漫画(1).谨防电信网络诈骗,时刻紧绷防 - 抖音

跑步膝盖痛最全解决方案

雄性虎鲸的胸鳍 t137a

2019年11月校园新草坪 图片素材