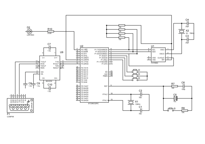
无刷电机测试电路原理图

高清图片下载 免费 安全无风险
无刷电机测试电路原理图

无刷电机测试电路原理图

点击图片查看原图

图片信息

  • 格式: JPG
  • 尺寸: 820x576
  • 大小: 约1.2MB

版权声明

相关标签

自然风光 高清壁纸 4K画质

分享图片

相关推荐

基于当前图片的相似推荐

有实物图 19 附录: 元器件清单 电路 原理图 实物图片 4 1 设计任务和

电动机直接启动电路图

先上电路图自己画的pcb,有一条飞线手上有覆铜板,没有蚀刻剂,还是洞洞

温度自控加热炉电路的工作原理

数字电路篮球比赛24秒倒计时器proteus仿真电路图设计

基于51单片机的数字万用表设计原理图

图中设定值计数器,锯齿波发生器与比较器构成了pwm信号的产生电路

智能语音温度计电路原理图

某地配电厂电气设计空调控制柜原理图

采用二进制数-模转换器祮5位数字电压表变换电路

随机推荐

发现更多精彩图片

可爱的小兔子彩色画法步骤图片 - 毛毛简笔画

仿真花康乃馨假花花束插花装饰花客厅绢花摆设花卉母亲节礼物 玫红色

玩家虚幻4重制寂静岭2厕所污秽可怖令人胆寒

板式平开门衣柜设计样式参考

周润发友谊之光吉他谱g调和弦指法高清六线图片弹唱谱监狱风云插曲

小心烫伤提示牌当心高温警示牌注意高温标识牌小心高温贴纸防止烫伤

哎,叹气_表情包_斗图图片

tadpole model links epilepsy drugs effects to chromatin

成都海滨城浩海立方海洋馆6969亲子游

中枢小学115班"语言文字规范化建设"手抄报优秀作品集

风连翼x凰北月凤逆天下

吊针图片真实照片夏天(孩子在输液时) - 赤虎壹号