cn212559034u_一种无齿轮永磁同步超重载的曳引机有效

高清图片下载 免费 安全无风险
cn212559034u_一种无齿轮永磁同步超重载的曳引机有效

cn212559034u_一种无齿轮永磁同步超重载的曳引机有效

点击图片查看原图

图片信息

  • 格式: JPG
  • 尺寸: 1537x1428
  • 大小: 约1.2MB

版权声明

相关标签

自然风光 高清壁纸 4K画质

分享图片

相关推荐

基于当前图片的相似推荐

现代电梯主要由曳引机(绞车),导向系统,轿厢,门系统,重量平衡系统

曳引电梯原理 (gb 7588—2003)对曳引驱动电梯的定义: 提升绳靠主机的

一,永磁同步无齿曳引机结构:曳引机俗称减速器.

(1)该曳引控制系统的控制手段和控制方式分别是

曳引电梯原理 (gb 7588—2003)对曳引驱动电梯的定义: 提升绳靠主机的

一种永磁同步曳引机-爱企查

曳引式电梯的八大系统及其功能

的电梯主要部件有轿厢,对重,导轨等(普通客用电梯的总体结构见附图2)

家用梯主机(曳引机)基本知识普及

一种载货电梯曳引机-爱企查

cn101157429a_单滚筒双绳曳引机失效

曳引电梯——曳引机种类

随机推荐

发现更多精彩图片

杨紫墨蓝色蛋糕裙一字肩礼服

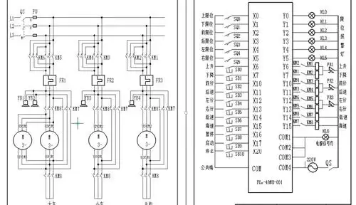
三菱fx2n的plc和主电路连接方法

【民国风情:旗袍韵】

游本昌一句话点醒李雪琴真正热爱的是什么你要成为自己的历史

耶律齐到底是怎么死的?跟随郭靖黄蓉,与妻子郭芙一起殉城就义了?

月琴虎丘月琴4501白木轴月琴弹拨乐器

交流电弧焊机的内部结构图

分享图片丨奔驰gle轿跑amg

保利爱家招聘房产经纪人 房产主播

怕是要好好了解一下枪械的原理了_mm_枪膛_问题

教师刘杨汇报2018年关于涉外护理人才培养工作相关情况