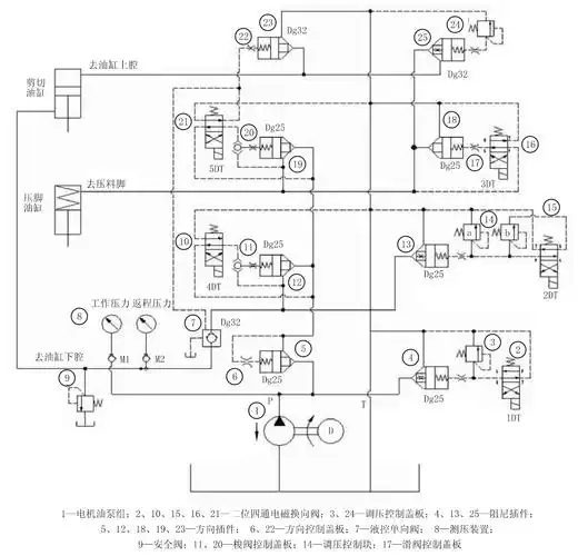
qc11y20x2500闸式剪板机液压原理图

高清图片下载 免费 安全无风险
qc11y20x2500闸式剪板机液压原理图

qc11y20x2500闸式剪板机液压原理图

点击图片查看原图

图片信息

  • 格式: JPG
  • 尺寸: 820x582
  • 大小: 约1.2MB

版权声明

相关标签

自然风光 高清壁纸 4K画质

分享图片

相关推荐

基于当前图片的相似推荐

液压鳄鱼剪切机电路图

剪板机控制电气原理图

液压裁断机电路图提供高清图片下载图片

40t四柱液压裁断机电路图

qc12,y一6/32oo液压摆式剪板机电路图

液压摆式剪板机控制回路故障分析与排除

qc11y16 3200液压闸式剪板机设

液压摆式剪板机控制回路故障分析与排除

一种液压剪切机床的液压自动控制系统的制作方法

剪板机的液压系统设计【2张cad图纸 毕业论文】【答辩通过】

随机推荐

发现更多精彩图片

打工人的快乐电脑分区壁纸

高挑修长好身材美女图片壁纸[鄙视]

征途,皆为坦途 – 奔驰大g与最佳拍档:以色列酷思迪特种窗膜_搜狐汽车

路劲上海派新项目距离地铁 11号线昌吉东路站约500米,步行15分钟左右

织女星位于哪个星座

日本庭园ハクウレイ的pixiv和风插画图片

死神各个势力的最美女神是不是你心中的那个她你最喜欢谁

雌蝉腹部的发声器官构造不完全,所以不能发声,又被叫做"哑巴蝉",但它

出租桃村街,三间平房,家具家电齐全,一年6000#好房推荐 - 抖音

我家次卧实木床安装好啦