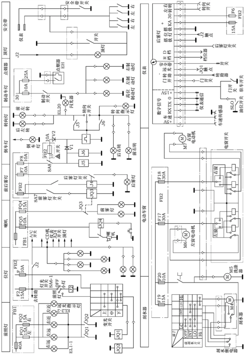
雅迪电动车控制器的接线图大全

高清图片下载 免费 安全无风险
雅迪电动车控制器的接线图大全

雅迪电动车控制器的接线图大全

点击图片查看原图

图片信息

  • 格式: JPG
  • 尺寸: 690x1097
  • 大小: 约1.2MB

版权声明

相关标签

自然风光 高清壁纸 4K画质

分享图片

相关推荐

基于当前图片的相似推荐

儿童电动车电路图分析如下

电动车控制器接线方法及接线图详解

从这两张电动车线路图上可以看出,区别在于有无转换器.

电动车全车线路颜色对照表:1,电源线为三根线,颜色分别为红色,红色

电动自行车维修全资料

从技术角度来讲,维修电动车和家电哪个更容易?

电动车无刷电机控制器图片

随机推荐

发现更多精彩图片

淡黄色可爱主题手机壁纸

有没有什么著名的蓝色系油画? - 知乎

累成狗!53岁老教师真干不动了!好想退休!说好的双减呢?

二次元,动漫,free,樱花,雨,gif,唯美,色彩,动态图

砖塔胡同风貌保存相对较好 摄影/王晓东

桐庐旅行夏日避暑秘境遇见瑶琳仙境

芈月传:芈月都有娃了,一袭青衣依旧动人,义渠王看呆眼|奇幻电影|历史

老太太右侧肩背部的大瘊子 - 皮肤及性传播疾病讨论版 - 爱爱医医学

刀塔传奇-360游戏大厅

a图为鸟嘴征,b图为乙状结肠样改变