真别墅体验!风靡北上广的跃层豪宅首现扬中

高清图片下载 免费 安全无风险
真别墅体验!风靡北上广的跃层豪宅首现扬中

真别墅体验!风靡北上广的跃层豪宅首现扬中

点击图片查看原图

图片信息

  • 格式: JPG
  • 尺寸: 1080x716
  • 大小: 约1.2MB

版权声明

相关标签

自然风光 高清壁纸 4K画质

分享图片

相关推荐

基于当前图片的相似推荐

欧式跃层大别墅效果图案例

双旋转楼梯欧式三层农村自建房别墅 "今天为大家分享一套欧式风格的

欧式跃层别墅外观装修设计欣赏

【永云新款】at2886三层气质简欧风/雅致跃层式兄弟双拼别墅全套图纸

回乡建套好别墅,给后代一笔宝贵的财富,第5套奢华霸气人人爱

四川晶泽·汐樾下叠墅 | 卡兰蒂斯(cld)设计设计案例

庭院铺设基本建成外墙抹灰封顶大吉开始动土打地基别墅外观

空间其他古典局部别墅装修

别墅 亮点 3层 阁楼层,全跃层设计,270°与自然融景 欧式城堡外观

两开间三层别墅,面宽9米深11米,外观很美 92房屋概况 编号: dc0868

随机推荐

发现更多精彩图片

关之琳年轻时绝世容颜合集:张张惊艳,值得珍藏_明星_角色_评论

蓝天白云山谷周边风景桌面壁纸下载

这就是散户,说的就是你!

饥荒联机 全人物介绍温蒂wendy 最全 p3_有图有真相

西安全奥 荷荷巴油 化妆品原料精油 金黄荷荷巴油

原创哥伦布并不是第一个到达北美的欧洲人为什么说他发现了新大陆

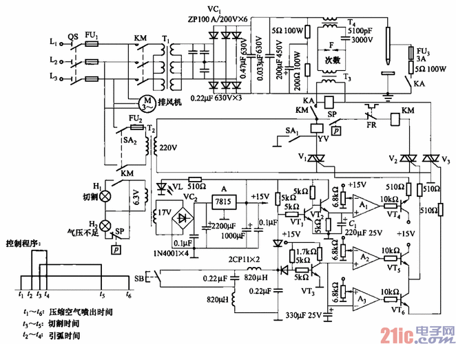
g80型空气等离子切割机电路

杭州跨年去哪woo酒吧了解一下

9年车龄的老款丰田卡罗拉你觉得它值多少钱